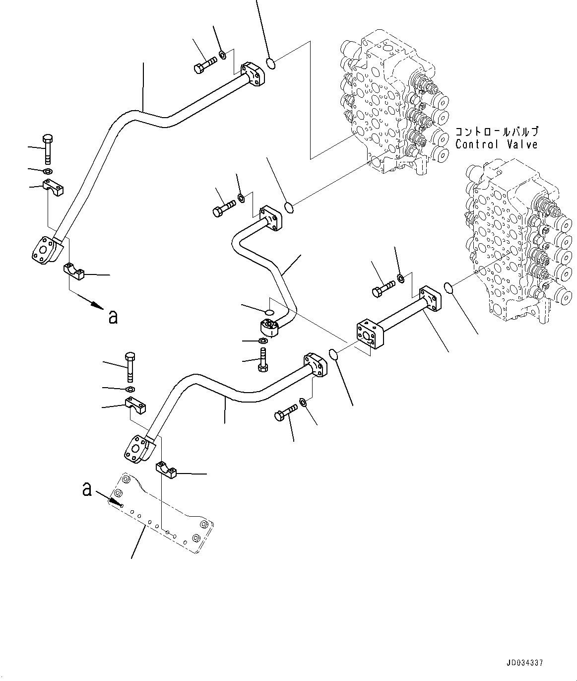
Запчасти Komatsu PC850-8E0 КОВШ ТРУБЫ (№-) КОВШ ТРУБЫ, БЕЗ -СЕРВИСНЫЙ КЛАПАН

Схема запчастей Komatsu PC850-8E0 - КОВШ ТРУБЫ (№-) КОВШ ТРУБЫ, БЕЗ -СЕРВИСНЫЙ КЛАПАН
23
17
18
3
2
1
4
12
13
14
15
16
5
8
6
7
9
10
11
19
21
20
22
23
25
24
16
26
FIT
1:1
100%

Артикул

Название

Примечание

Количество

1

209-62-41652

Tube

2

01010-81455

Bolt

3

01643-31445

Washer, Flat

4

07000-B3048

O-ring

5

209-62-73270

Tube

6

01010-81455

Bolt

7

01643-31445

Washer, Flat

8

07000-B3048

O-ring

9

01010-81060

Bolt

10

01643-51032

Washer

11

07000-B3035

O-ring

12

209-62-73280

Tube

13

01010-81455

Bolt

14

01643-31445

Washer, Flat

15

07000-B3048

O-ring

16

176-61-41330

Clamp

17

01010-81295

Bolt

18

01643-31232

Washer

19

209-62-73290

Tube

20

01010-81455

Bolt

21

01643-31445

Washer, Flat

22

07000-B3048

O-ring

23

176-61-41330

Clamp

24

01010-81295

Bolt

25

01643-31232

Washer

26

209-62-73491

Bracket

Выбрано товаров: 26