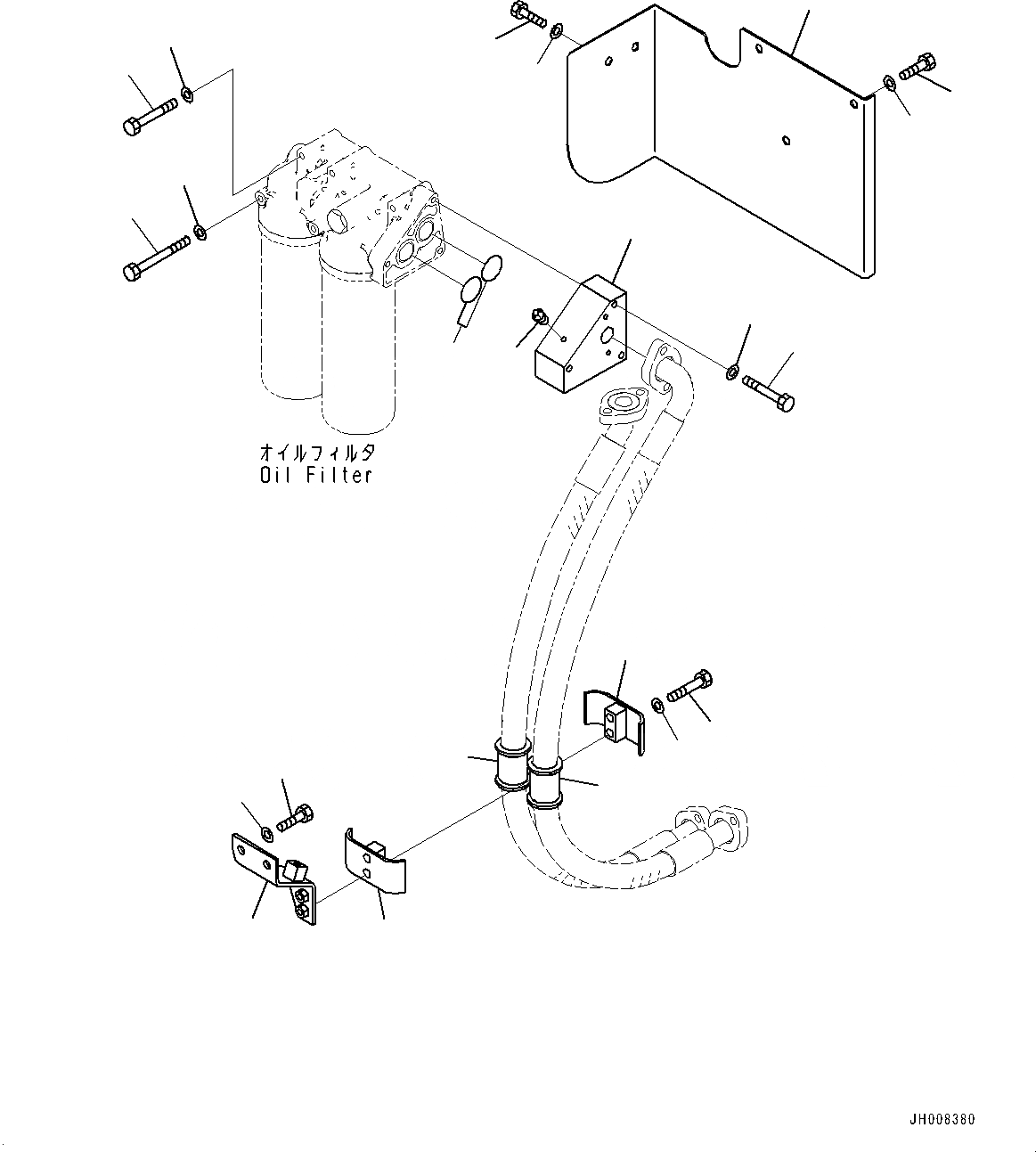
Запчасти Komatsu PC850-8E0 КРЕПЛЕНИЕ ДВИГАТЕЛЯ, МАСЛ. ФИЛЬТР КОМПОНЕНТЫ (№-) КРЕПЛЕНИЕ ДВИГАТЕЛЯ

Схема запчастей Komatsu PC850-8E0 - КРЕПЛЕНИЕ ДВИГАТЕЛЯ, МАСЛ. ФИЛЬТР КОМПОНЕНТЫ (№-) КРЕПЛЕНИЕ ДВИГАТЕЛЯ
12
3
2
1
5
7
17
18
11
13
16
18
17
14
4
4
6
5
9
10
8
10
15
FIT
1:1
100%

Артикул

Название

Примечание

Количество

1

209-01-41470

Bracket

2

01010-81230

Bolt

3

01643-31232

Washer

4

07095-01038

Cushion

5

07094-31024

Clamp

6

01010-81285

Bolt

7

01643-31232

Washer

8

01011-81000

Bolt

9

01011-81040

Bolt

10

01643-31032

Washer

11

209-01-41442

Block

12

01010-81090

Bolt

13

01643-31032

Washer

14

07042-30108

Plug

15

07000-73040

O-ring

16

209-54-42351

Cover

17

01010-81230

Bolt

18

01643-31232

Washer

Выбрано товаров: 18