Качественные детали и логистика
Оригинальные и аналоговые запчасти с доставкой по России, Казахстану и Беларуси
©2022 PartSell ООО "Система" ИНН 2463123282 ОГРН 1212400004838
Центральный офис: г. Красноярск, Академика Киренского, д.87, пом.4
Телефон: 8 (800) 777-65-74 Email: zakaz@partsell.ru
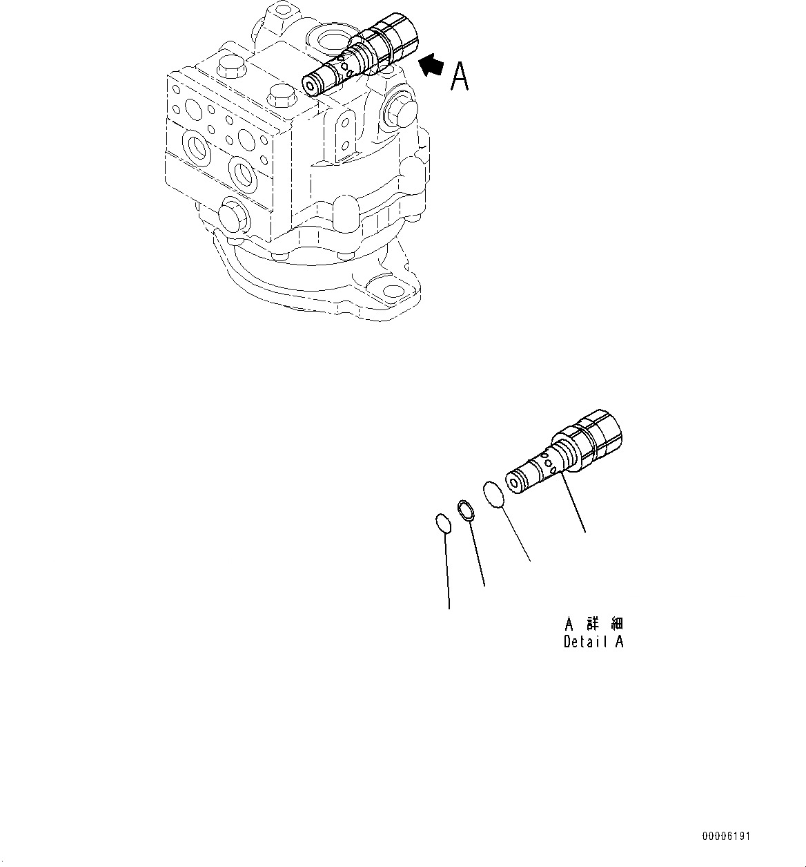
МОТОР ПОВОРОТА, ВНУТР. ЧАСТИ, МОТОР ПОВОРОТА, ПЕРЕДН. (/) (№-)
№
Артикул
Название
Примечание
Количество
|$0
706-7G-01031
Motor Assembly
|$1
706-7G-01030
1
702-75-01900
Valve, Relief
2
07000-F2020
O-ring
3
702-77-11380
Ring, Back-up
4
07002-13034
Выбрано товаров: 0