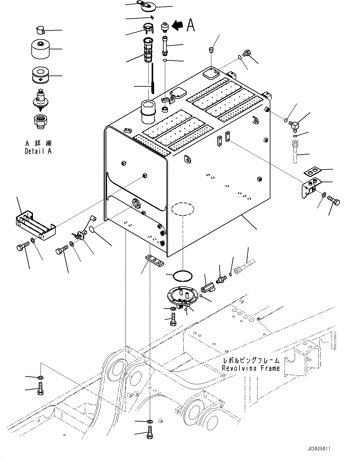
Запчасти Komatsu PC850-8E0 ТОПЛИВН. БАК. (№-) ТОПЛИВН. БАК., ДЛЯ АВСТРАЛИИ

Схема запчастей Komatsu PC850-8E0 - ТОПЛИВН. БАК. (№-) ТОПЛИВН. БАК., ДЛЯ АВСТРАЛИИ
5
11
10
12
41
38
40
39
41
25
26
27
8
44
9
7
6
14
13
4
3
2
1
24
19
20
21
22
18
43
23
31
32
30
34
35
36
33
42
37
15
17
16
28
29
FIT
1:1
100%

Артикул

Название

Примечание

Количество

|$0

22U-04-21241

Strainer Assembly

|$1

22U-04-21200

Float Assembly

1

22U-04-21210

Guide

2

20Y-04-21580

Cap

3

22U-04-21220

Float

4

07056-18425

Strainer

5

209-04-45810

Tank

6

17A-04-41411

Cap

7

209-04-41511

Flange

8

02896-11012

O-ring

9

02896-11009

O-ring

10

01010-81235

Bolt

11

01643-31232

Washer

12

07000-15200

O-ring

13

207-04-75340

Tube

14

07002-13334

O-ring

14

22U-60-21520

Breather

15

421-60-35170

Element

16

421-60-35180

Cover

17

421-60-35190

Nut

18

7861-93-5810

Sensor

19

07000-13050

O-ring

20

01010-80612

Bolt

21

01643-30623

Washer

22

02782-10315

Elbow

23

07002-12034

O-ring

24

02896-11009

O-ring

25

07700-40661

Valve, Fuel Drain

26

209-04-42150

Union

27

02896-11015

O-ring

28

07040-12012

Plug

29

07002-12034

O-ring

30

21M-54-32980

Step

31

01010-81230

Bolt

32

01643-31232

Washer

33

209-53-45240

Bracket

34

209-53-11250

Sheet

35

01010-81230

Bolt

36

01643-31232

Washer

37

07049-01215

Plug

38

01010-82050

Bolt

39

01010-82070

Bolt

40

209-04-45130

Spacer

41

01643-32060

Washer

42

09460-00000

Padlock

43

209-04-42251

Hose

44

02764-00547

Hose, Face Seal Type

Выбрано товаров: 47