Запчасти Komatsu PC850-8R КОНДИЦ. ВОЗДУХА (КОМПРЕССОР) КАБИНА ОПЕРАТОРА И СИСТЕМА УПРАВЛЕНИЯ

Схема запчастей Komatsu PC850-8R - КОНДИЦ. ВОЗДУХА (КОМПРЕССОР) КАБИНА ОПЕРАТОРА И СИСТЕМА УПРАВЛЕНИЯ
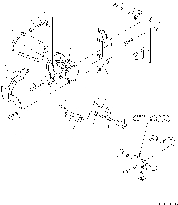
1
2
3
4
5
6
7
8
9
9
10
10
11
12
13
14
15
16
17
18
19
20
21
22
22
23
23
24
25
26
27
28
FIT
1:1
100%

Артикул

Название

Примечание

Количество

1

01010-81225

BOLT

2

01643-31232

WASHER

3

20Y-810-1260

COMPRESSOR ASS'Y

3

20Y-979-6121

COMPRESSOR ASS'Y

4

04120-21737

V-BELT

5

209-979-4170

BRACKET

6

01010-81235

BOLT

7

01643-31232

WASHER

8

209-979-7590

BRACKET

9

01010-80875

BOLT

10

01643-30823

WASHER

11

01019-31240

BOLT

12

01643-31232

WASHER

13

01580-11210

NUT

14

08036-10814

CLIP

15

08053-01510

CLIP

16

209-979-4220

COVER

17

01010-81225

BOLT

18

01643-31232

WASHER

19

6150-82-8690

PLATE

20

01010-81250

BOLT

21

01643-31232

WASHER

22

01580-11411

NUT

23

01643-31445

WASHER

24

6150-82-8610

ROD

25

6215-81-6150

PIN

26

01010-81250

BOLT

27

01643-32260

WASHER

28

175-54-34170

WASHER

Выбрано товаров: 29