Запчасти Komatsu PC850-8R1 КАБИНА, ПОЛ, РЫЧАГ, ПРАВ. (/) (№7-) КАБИНА, EOPS КАБИНА, КАРЬЕРН

Схема запчастей Komatsu PC850-8R1 - КАБИНА, ПОЛ, РЫЧАГ, ПРАВ. (/) (№7-) КАБИНА, EOPS КАБИНА, КАРЬЕРН
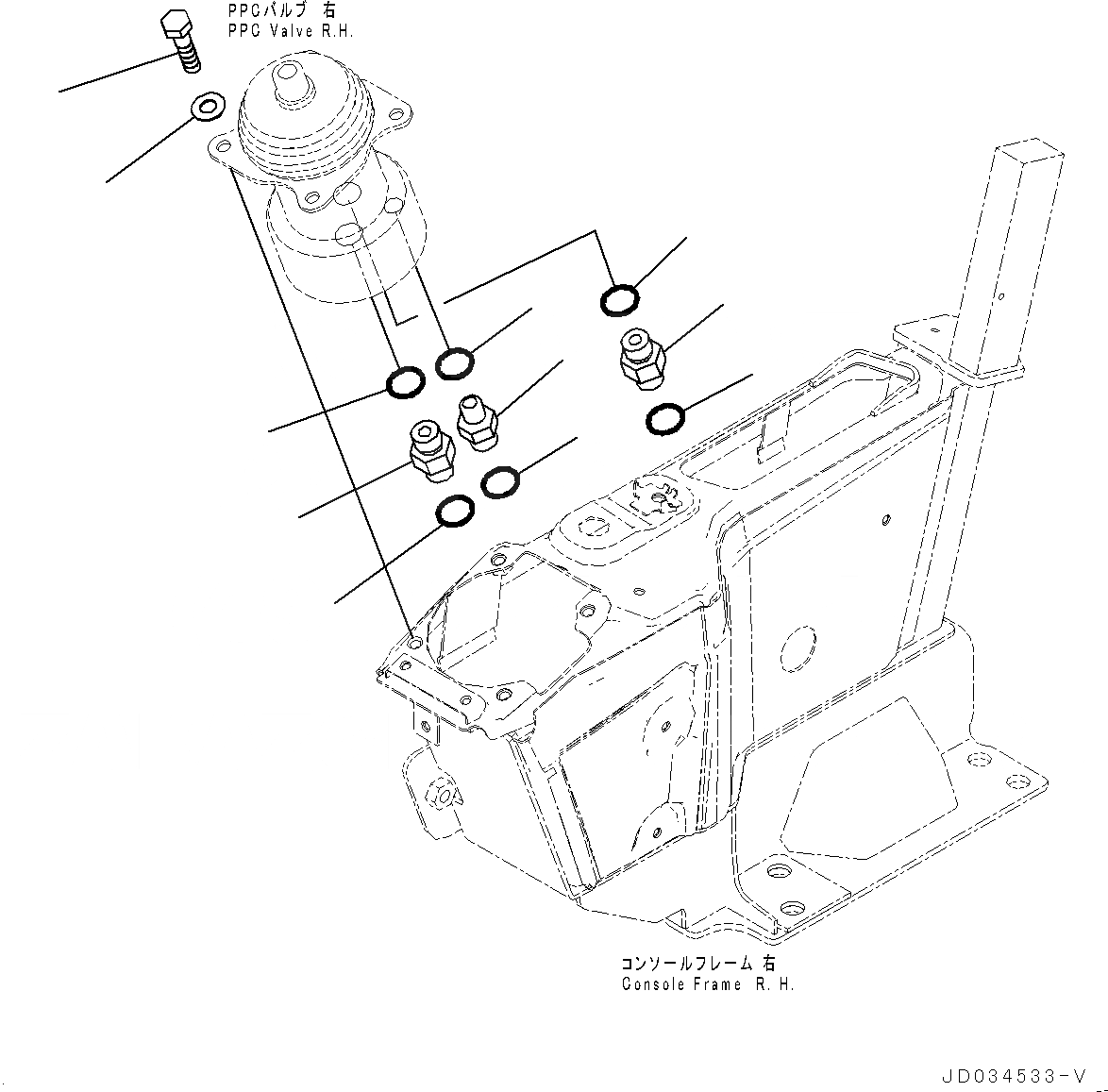
1
2
9
10
11
3
6
8
7
4
5
FIT
1:1
100%

Артикул

Название

Примечание

Количество

1

01010-80820

Bolt

2

01643-30823

Washer

3

02781-00313

Union

4

02896-11009

O-ring

5

07002-11823

O-ring

6

02781-00313

Union

7

02896-11009

O-ring

8

07002-11823

O-ring

9

11Y-62-12520

Union

10

02896-11009

O-ring

11

07002-11423

O-ring

Выбрано товаров: 11