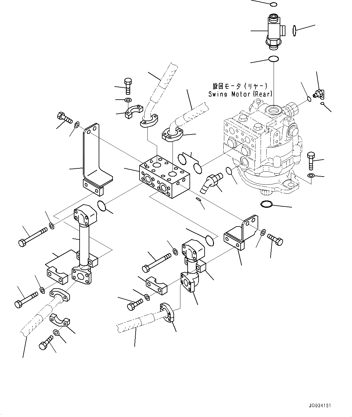
Запчасти Komatsu PC850-8R1 МОТОР ПОВОРОТА, КОМПОНЕНТЫ, ЗАДН. (№7-) МОТОР ПОВОРОТА, С -СЕРВИСНЫЙ КЛАПАН

Схема запчастей Komatsu PC850-8R1 - МОТОР ПОВОРОТА, КОМПОНЕНТЫ, ЗАДН. (№7-) МОТОР ПОВОРОТА, С -СЕРВИСНЫЙ КЛАПАН
22
30
24
23
10
15
9
41
40
3
25
37
39
38
28
14
31
16
17
26
27
29
35
36
34
31
35
20
21
18
19
12
7
6
32
33
37
1
13
11
8
5
4
2
43
43
42
42
FIT
1:1
100%

Артикул

Название

Примечание

Количество

1

22U-26-21280

Ring

2

209-64-17460

Tee

3

07002-63334

O-ring

4

02896-11018

O-ring

5

207-62-64740

O-ring

6

02783-10522

Elbow

7

07002-62434

O-ring

8

02896-61015

O-ring

9

21W-62-42490

Elbow

10

07002-11423

O-ring

11

02896-11009

O-ring

12

209-60-76130

Block

13

07000-B3035

O-ring

14

209-62-73440

Tube

15

07000-B3035

O-ring

16

01011-81050

Bolt

17

01643-51032

Washer

18

209-62-73430

Tube

19

07000-B3035

O-ring

20

01011-81050

Bolt

21

01643-51032

Washer

22

209-62-73460

Bracket

23

01010-81225

Bolt

24

01643-31232

Washer

25

205-62-54460

Clamp

26

01010-81275

Bolt

27

01643-31232

Washer

28

209-62-73451

Bracket

29

01010-81225

Bolt

30

01643-31232

Washer

31

205-62-54460

Clamp

32

01010-81275

Bolt

33

01643-31232

Washer

34

07371-31049

Flange, Split

35

07372-21035

Bolt

36

01643-51032

Washer

37

07371-51260

Flange, Split

38

01010-81245

Bolt

39

01643-31232

Washer

40

01010-82055

Bolt

41

01643-32060

Washer

42

209-62-16710

Hose

43

208-62-51270

Hose

Выбрано товаров: 43