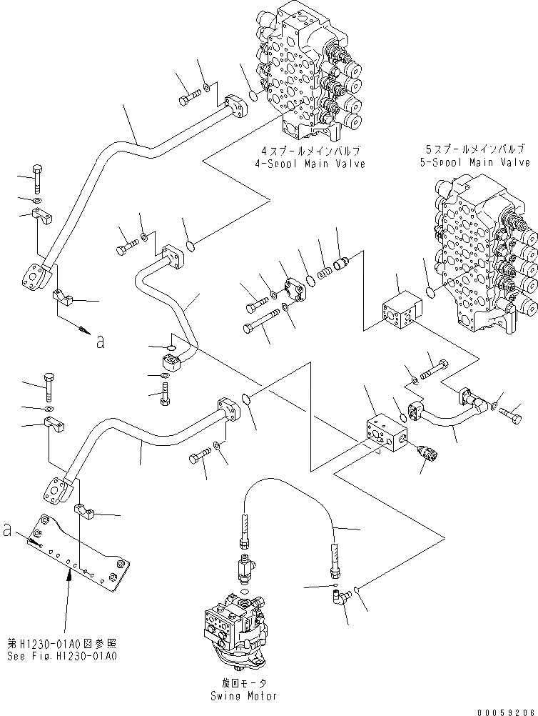
Запчасти Komatsu PC850SE-8 КЛАПАН ПОДАЮЩ. ТРУБЫ (КОВШ) (С СЕРВИСНЫМ КЛАПАНОМ)(№-) ГИДРАВЛИКА

Схема запчастей Komatsu PC850SE-8 - КЛАПАН ПОДАЮЩ. ТРУБЫ (КОВШ) (С СЕРВИСНЫМ КЛАПАНОМ)(№-) ГИДРАВЛИКА
1
2
3
4
5
6
7
8
9
10
11
12
13
14
15
16
17
18
19
20
21
22
23
24
25
26
27
28
29
30
31
32
33
34
34
35
36
37
38
39
40
41
41
42
43
FIT
1:1
100%

Артикул

Название

Примечание

Количество

|$1

209-60-71701

VALVE ASS'Y

1

01010-80845

BOLT

2

01643-50823

WASHER

3

07000-B3048

O-RING

4

07750-04595

SPRING

5

209-60-52720

POPPET

6

BLOCK

7

209-60-71720

COVER

8

07000-B3048

O-RING

9

01011-81490

BOLT

10

01643-31445

WASHER

11

209-62-76890

TUBE

12

07000-B3035

O-RING

13

07372-21060

BOLT

14

01643-51032

WASHER

15

07372-21040

BOLT

16

01643-51032

WASHER

17

209-62-76920

BLOCK

18

709-90-71100

VALVE ASS'Y

19

02782-10628

ELBOW

20

07002-12434

O-RING

21

02896-11018

O-RING

22

02754-006A6

HOSE

23

209-62-73270

TUBE

24

01010-81455

BOLT

25

01643-31445

WASHER

26

07000-B3048

O-RING

27

01010-81060

BOLT

28

01643-51032

WASHER

29

07000-B3035

O-RING

30

209-62-73280

TUBE

31

01010-81455

BOLT

32

01643-31445

WASHER

33

07000-B3048

O-RING

34

176-61-41330

CLAMP

35

01010-81295

BOLT

36

01643-31232

WASHER

37

209-62-73290

TUBE

38

01010-81455

BOLT

39

01643-31445

WASHER

40

07000-B3048

O-RING

41

176-61-41330

CLAMP

42

01010-81295

BOLT

43

01643-31232

WASHER

Выбрано товаров: 44