Качественные детали и логистика
Оригинальные и аналоговые запчасти с доставкой по России, Казахстану и Беларуси
©2022 PartSell ООО "Система" ИНН 2463123282 ОГРН 1212400004838
Центральный офис: г. Красноярск, Академика Киренского, д.87, пом.4
Телефон: 8 (800) 777-65-74 Email: zakaz@partsell.ru
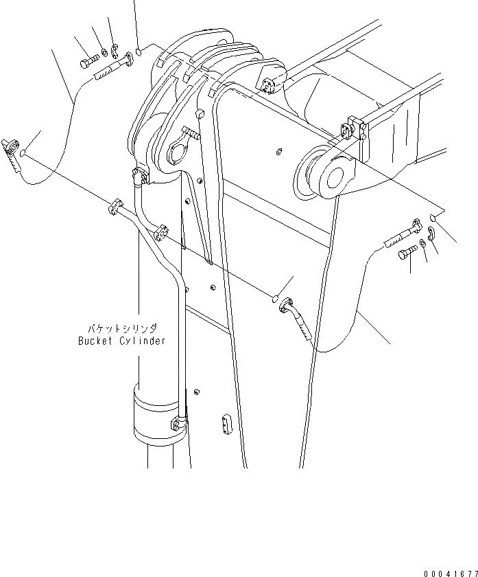
РУКОЯТЬ (.9M) (ЦИЛИНДР КОВША ТРУБЫ) (ДЛЯ ЭКСКАВАТ.)
№
Артикул
Название
Примечание
Количество
1
07098-21221
HOSE
2
07371-51260
FLANGE
3
01010-81245
BOLT
4
01643-31232
WASHER
5
07000-13038
O-RING
Выбрано товаров: 0