Запчасти Komatsu PC850SE-8 ОСНОВН. КЛАПАН (4-Х СЕКЦИОНН. КЛАПАН) (КЛАПАН КОНТРОЛЯ ПОДЪЕМА И ПРОХОДНОЙ ФИЛЬТР)(№-) ГИДРАВЛИКА

Схема запчастей Komatsu PC850SE-8 - ОСНОВН. КЛАПАН (4-Х СЕКЦИОНН. КЛАПАН) (КЛАПАН КОНТРОЛЯ ПОДЪЕМА И ПРОХОДНОЙ ФИЛЬТР)(№-) ГИДРАВЛИКА
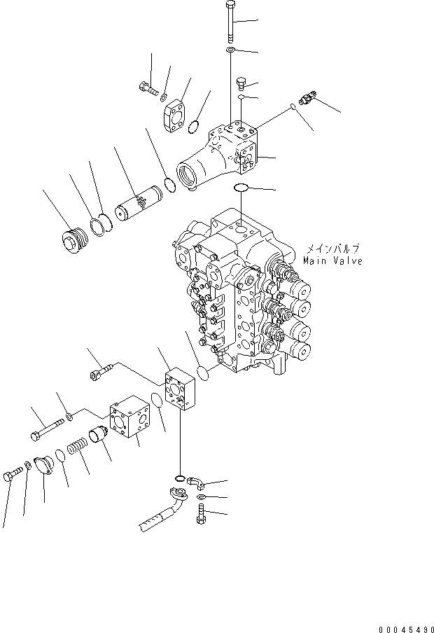
1
2
3
4
5
6
7
8
9
10
11
12
13
14
15
16
17
18
19
20
21
22
23
24
25
26
27
28
29
30
31
32
33
FIT
1:1
100%

Артикул

Название

Примечание

Количество

1

209-60-76551

FLANGE

2

07000-B2060

O-RING

3

01252-71260

BOLT

|$7

209-60-41401

VALVE ASS'Y

4

BODY

5

706-77-72250

SPRING

6

209-60-41431

POPPET

7

209-60-41421

FLANGE

8

07000-13042

O-RING

9

01010-81030

BOLT

10

01643-31032

WASHER

11

07000-B2060

O-RING

12

01011-81240

BOLT

13

01643-51232

WASHER

14

07371-31049

FLANGE

15

07372-21035

BOLT

16

01643-51032

WASHER

|$25

209-60-79100

FILTER ASS'Y

17

CASE

18

21N-62-31221

ELEMENT

19

21N-62-31230

COVER

20

07000-12055

O-RING

21

07000-12070

O-RING

22

07001-02070

RING

23

07002-11423

O-RING

24

07040-11409

PLUG

25

07000-B3048

O-RING

26

21N-62-12210

FLANGE

27

07000-B3048

O-RING

28

01010-81455

BOLT

29

01643-31445

WASHER

30

01011-81470

BOLT

31

01643-31445

WASHER

32

7861-93-1812

SENSOR

32

7861-93-1811

SENSOR

32

7861-93-1650

SENSOR

33

07002-61823

O-RING

33

07002-11823

O-RING

Выбрано товаров: 38