Запчасти Komatsu PC850SE-8 ОСНОВН. НАСОС (СОЕДИНИТ. ЧАСТИ)(№-) ГИДРАВЛИКА

Схема запчастей Komatsu PC850SE-8 - ОСНОВН. НАСОС (СОЕДИНИТ. ЧАСТИ)(№-) ГИДРАВЛИКА
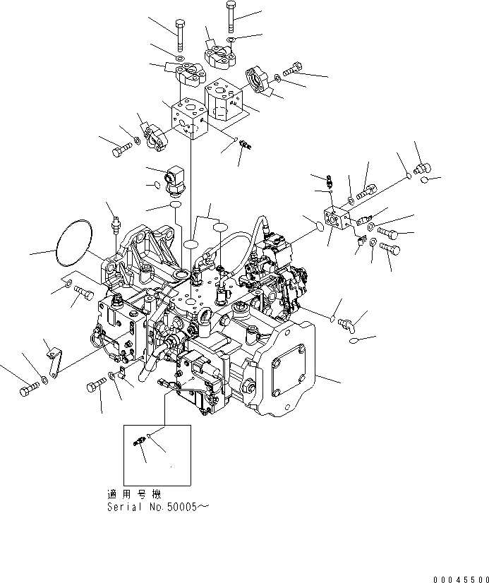
1
2
3
4
5
6
7
8
9
10
11
12
13
14
15
16
17
18
19
19
20
20
21
21
22
22
23
23
24
24
25
26
27
28
29
30
31
32
33
33
34
34
35
36
37
38
39
40
41
42
43
FIT
1:1
100%

Артикул

Название

Примечание

Количество

1

708-2K-00110

PUMP ASS'Y

2

209-62-41481

ELBOW

3

07002-64234

O-RING

4

207-62-64740

O-RING

5

6138-55-7610

NIPPLE

6

799-101-5220

NIPPLE

7

07002-61023

O-RING

8

02782-10628

ELBOW

9

07002-62434

O-RING

10

02896-61018

O-RING

11

02782-10628

ELBOW

12

07002-62434

O-RING

13

02896-61018

O-RING

14

209-62-41210

BLOCK

15

209-62-41220

BLOCK

16

07000-B3050

O-RING

17

799-101-5220

NIPPLE

18

07002-61023

O-RING

19

07371-51470

FLANGE

20

209-62-41270

BOLT

21

01643-31445

WASHER

22

07371-51260

FLANGE

23

01010-81245

BOLT

24

01643-31232

WASHER

25

209-62-41412

BLOCK

26

07000-B3035

O-RING

27

01252-71050

BOLT

28

01643-51032

WASHER

29

799-101-5220

NIPPLE

30

07002-61023

O-RING

31

08193-20010

CLIP

32

04434-51010

CLIP

33

01010-81020

BOLT

34

01643-31032

WASHER

35

07000-E5185

O-RING

36

01010-82470

BOLT

37

01643-32460

WASHER

38

209-62-42180

BRACKET

39

01010-81025

BOLT

40

01643-31032

WASHER

41

04434-51012

CLIP

42

01010-81220

BOLT

43

01643-31232

WASHER

Выбрано товаров: 43