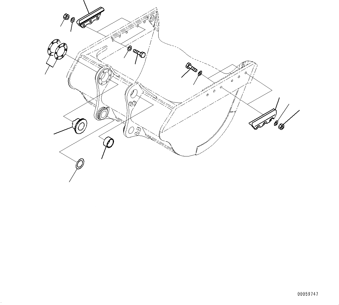
Запчасти Komatsu PC850SE-8E0 КОВШ, БОКОРЕЗЫ (№-7) КОВШ, .M, MM ШИР., KMAX TOOTH, THRUST ADJUSTMENT, БОКОРЕЗЫ

Схема запчастей Komatsu PC850SE-8E0 - КОВШ, БОКОРЕЗЫ (№-7) КОВШ, .M, MM ШИР., KMAX TOOTH, THRUST ADJUSTMENT, БОКОРЕЗЫ
2
3
2
3
3
4
1
1
4
3
7
8
5
6
FIT
1:1
100%

Артикул

Название

Примечание

Количество

1

209-70-54610

Shroud

2

01011-83015

Bolt

3

01643-33080

Washer

4

01580-13024

Nut

5

209-939-5451

Bushing

6

209-939-5410

Bushing

7

209-939-0012

Shim Assembly

7

Shim, T=1.0mm

7

Shim, T=0.5mm

8

209-72-11220

Shim, T=1.0mm

Выбрано товаров: 10