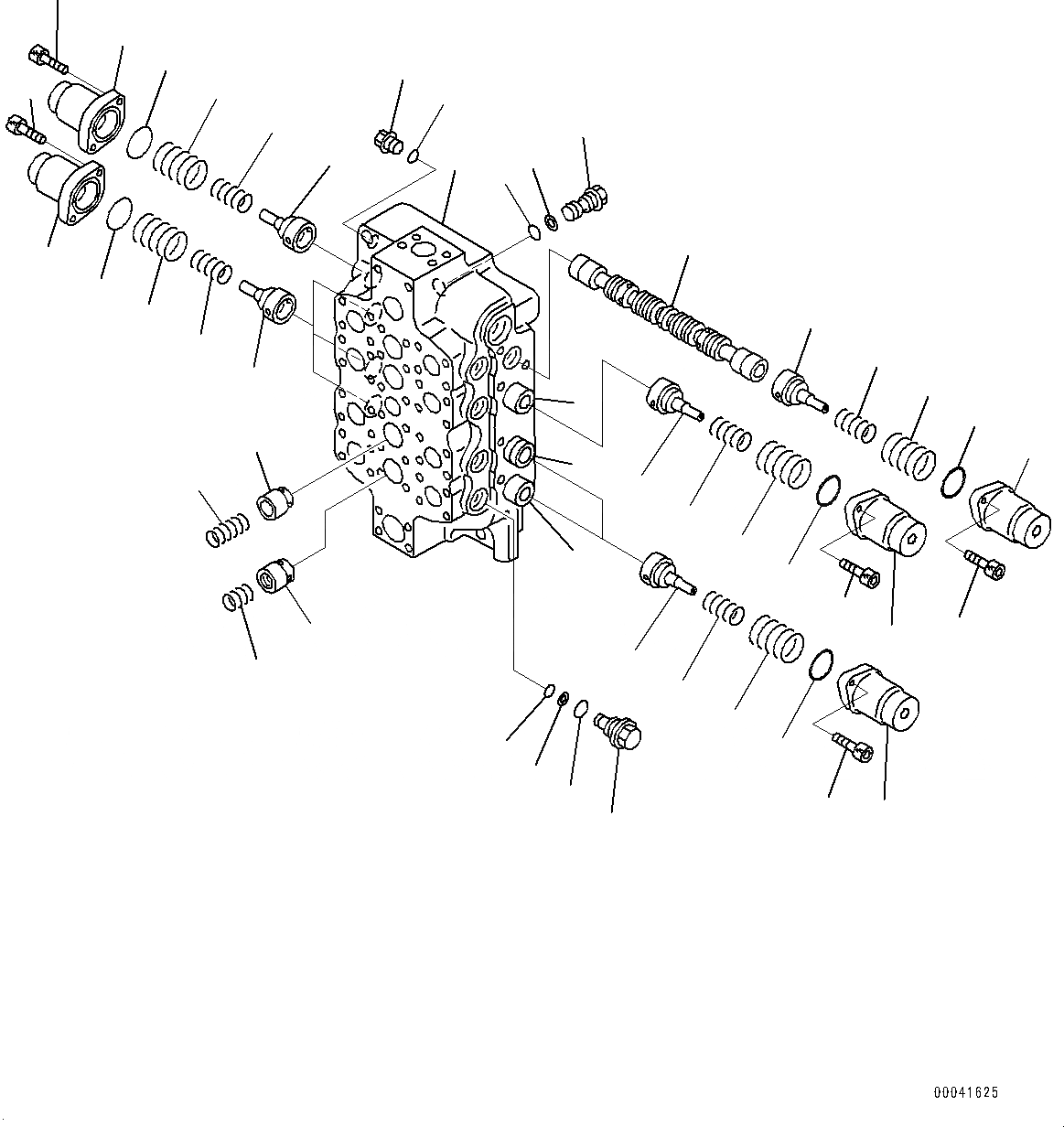
Запчасти Komatsu PC850SE-8E0 УПРАВЛЯЮЩ. КЛАПАН, 4-Х СЕКЦИОНН. (/7) (№-) УПРАВЛЯЮЩ. КЛАПАН

Схема запчастей Komatsu PC850SE-8E0 - УПРАВЛЯЮЩ. КЛАПАН, 4-Х СЕКЦИОНН. (/7) (№-) УПРАВЛЯЮЩ. КЛАПАН
12
11
10
9
8
7
6
5
4
3
2
1
13
14
15
15
16
17
18
20
21
16
17
18
20
21
22
23
24
25
15
16
17
19
20
21
27
26
17
18
28
21
16
15
20
17
19
21
FIT
1:1
100%

Артикул

Название

Примечание

Количество

|$0

709-14-95500

Valve, Control

|$1

Body Group

1

Body

2

Spool

3

Spool Assembly

4

Spool

5

Spool Assembly

6

700-22-11370

Plug

7

07002-12434

O-ring

8

709-14-11510

Plug

9

700-80-61260

O-ring

10

700-80-61430

Ring, Back-up

11

700-94-11260

Plug

12

07002-13634

O-ring

13

07000-12018

O-ring

14

07001-02018

Ring, Back-up

15

709-14-12560

Recoil Spring Case

16

709-14-12570

Retainer

17

709-14-11550

Spring

18

709-14-12430

Spring

19

709-14-11560

Spring

20

07000-12065

O-ring

21

01252-61035

Bolt, Hexagon Socket Head

22

709-12-11411

Valve, Check

23

709-14-12610

Valve, Check

24

709-12-11430

Spring

25

709-14-11721

Spring

26

709-14-12580

Retainer

27

709-14-12590

Case, Spring

28

6354-81-5670

O-ring

Выбрано товаров: 30