Запчасти Komatsu PC850SE-8E0 ПОРШЕНЬ НАСОС, ВНУТР. ЧАСТИ (/) (№-) ПОРШЕНЬ НАСОС

Схема запчастей Komatsu PC850SE-8E0 - ПОРШЕНЬ НАСОС, ВНУТР. ЧАСТИ (/) (№-) ПОРШЕНЬ НАСОС
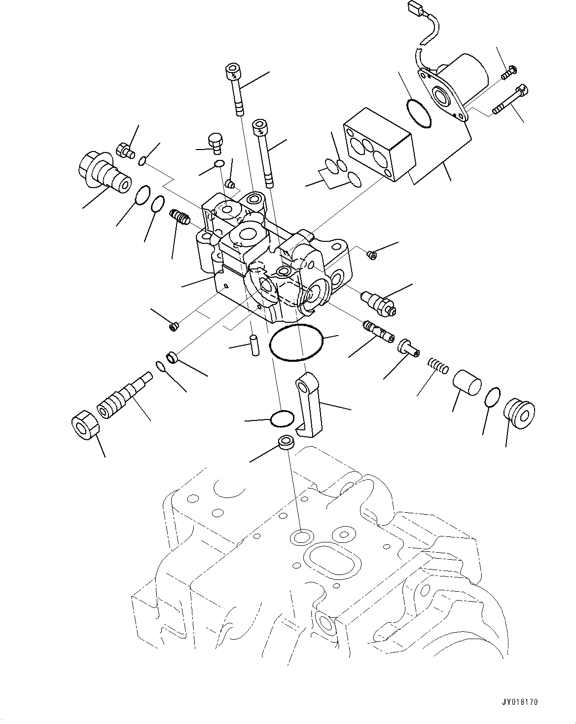
1
3
4
7
12
13
17
15
18
2
2
5
6
8
9
10
11
14
16
19
20
19
20
21
26
27
28
29
30
31
32
2
25
23
22
24
FIT
1:1
100%

Артикул

Название

Примечание

Количество

|$0

708-2K-00113

Pump Assembly

|$1

708-1W-00901

Pump Assembly

|$2

708-1W-00911

Pump Assembly

|$3

708-1W-03870

Valve Assembly

|$4

Body Subassembly

1

Body

2

Plug

3

Piston

4

Sleeve

5

07002-21623

O-ring

6

07000-B1010

O-ring

7

Spool

8

Seat

9

Spring

10

723-56-31630

Plug

11

07002-21623

O-ring

12

Lever

13

Retainer

14

Spacer

15

Plug

16

01582-11210

Nut

17

O-ring

18

20B-27-11210

Bleeder

19

07040-11007

Plug

20

07002-21023

O-ring

21

702-21-57700

Valve, Pilot

22

702-21-55870

O-ring

23

702-21-55880

O-ring

24

702-21-54180

Screw

25

702-21-55890

O-ring

26

01252-60635

Bolt, Hexagon Socket Head

27

07000-13040

O-ring

28

01252-60650

Bolt, Hexagon Socket Head

29

01252-60635

Bolt, Hexagon Socket Head

30

04020-00616

Pin, Dowel

31

07000-B2014

O-ring

32

708-2L-25480

Filter

Выбрано товаров: 37