Запчасти Komatsu PC850SE-8E0 МОТОР ПОВОРОТА, ВНУТР. ЧАСТИ, МОТОР ПОВОРОТА, ПЕРЕДН. (/) (№-) МОТОР ПОВОРОТА, С -СЕРВИСНЫЙ КЛАПАН

Схема запчастей Komatsu PC850SE-8E0 - МОТОР ПОВОРОТА, ВНУТР. ЧАСТИ, МОТОР ПОВОРОТА, ПЕРЕДН. (/) (№-) МОТОР ПОВОРОТА, С -СЕРВИСНЫЙ КЛАПАН
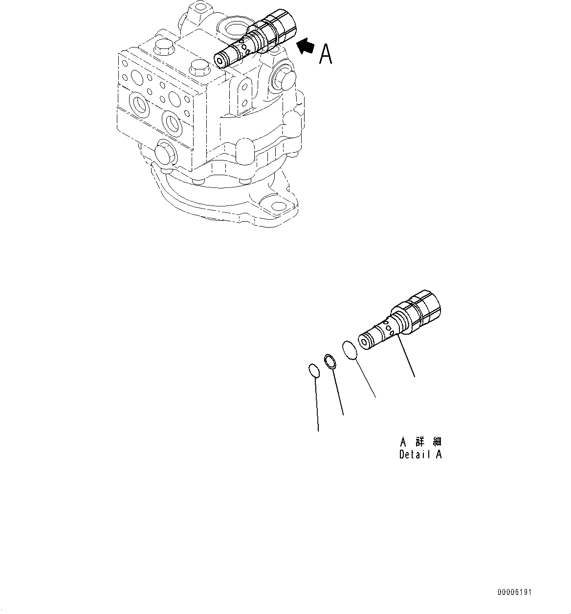
1
4
2
3
FIT
1:1
100%

Артикул

Название

Примечание

Количество

|$0

706-7G-01031

Motor Assembly

|$1

706-7G-01030

Motor Assembly

1

702-75-01900

Valve, Relief

2

07000-F2020

O-ring

3

702-77-11380

Ring, Back-up

4

07002-13034

O-ring

Выбрано товаров: 6