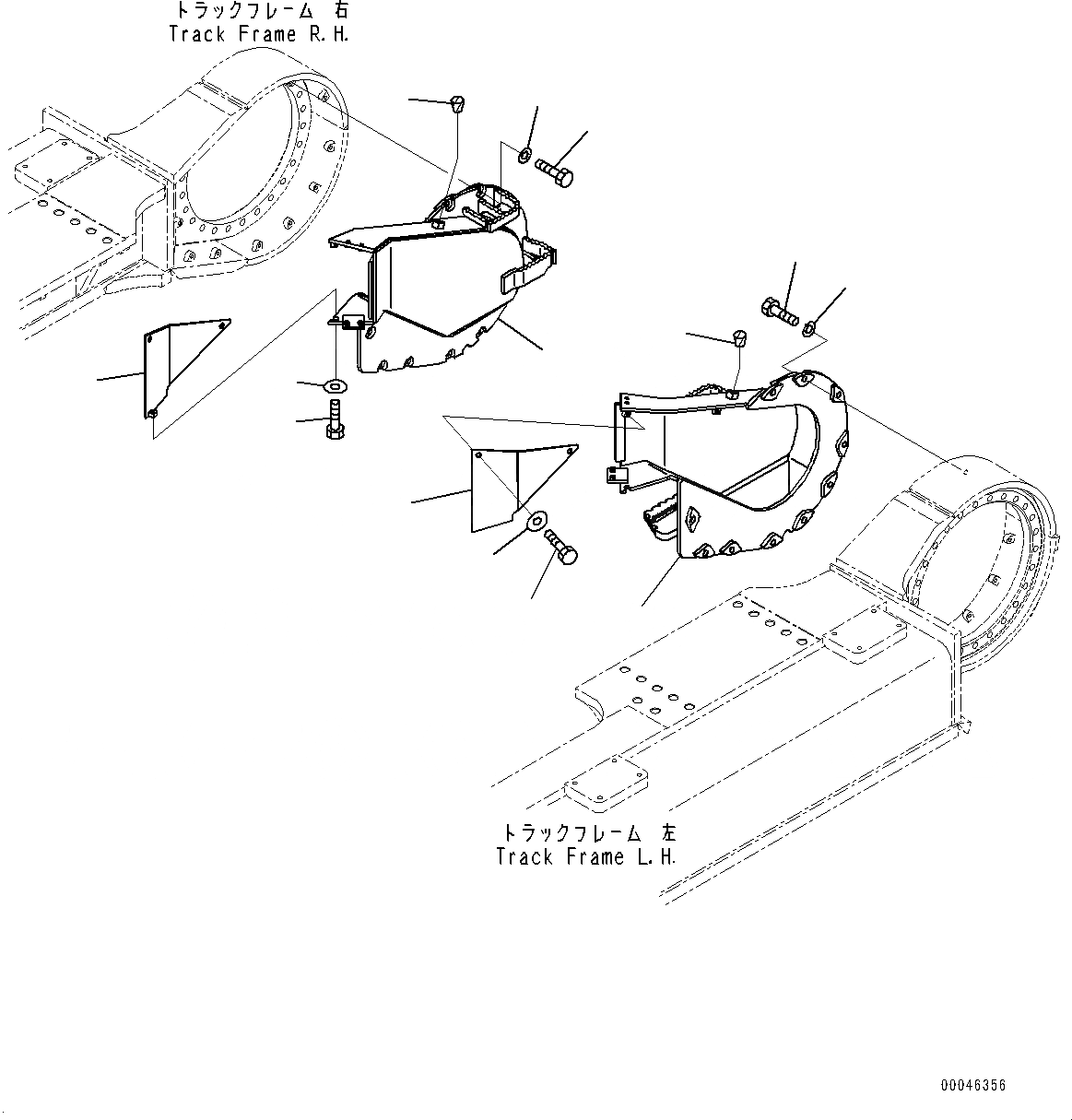
Запчасти Komatsu PC850SE-8E0 МОТОР ХОДА ЧАСТИ КОРПУСА (№-) МОТОР ХОДА ЧАСТИ КОРПУСА

Схема запчастей Komatsu PC850SE-8E0 - МОТОР ХОДА ЧАСТИ КОРПУСА (№-) МОТОР ХОДА ЧАСТИ КОРПУСА
5
6
1
3
2
7
4
12
13
14
11
10
9
8
FIT
1:1
100%

Артикул

Название

Примечание

Количество

1

209-30-41311

Plate

2

01010-81645

Bolt

3

01643-31645

Washer

4

209-30-41330

Cover

5

07049-01620

Plug

6

01010-81230

Bolt

7

175-54-34170

Washer

8

209-30-41321

Plate

9

01010-81645

Bolt

10

01643-31645

Washer

11

209-30-41340

Cover

12

07049-01620

Plug

13

01010-81230

Bolt

14

175-54-34170

Washer

Выбрано товаров: 0