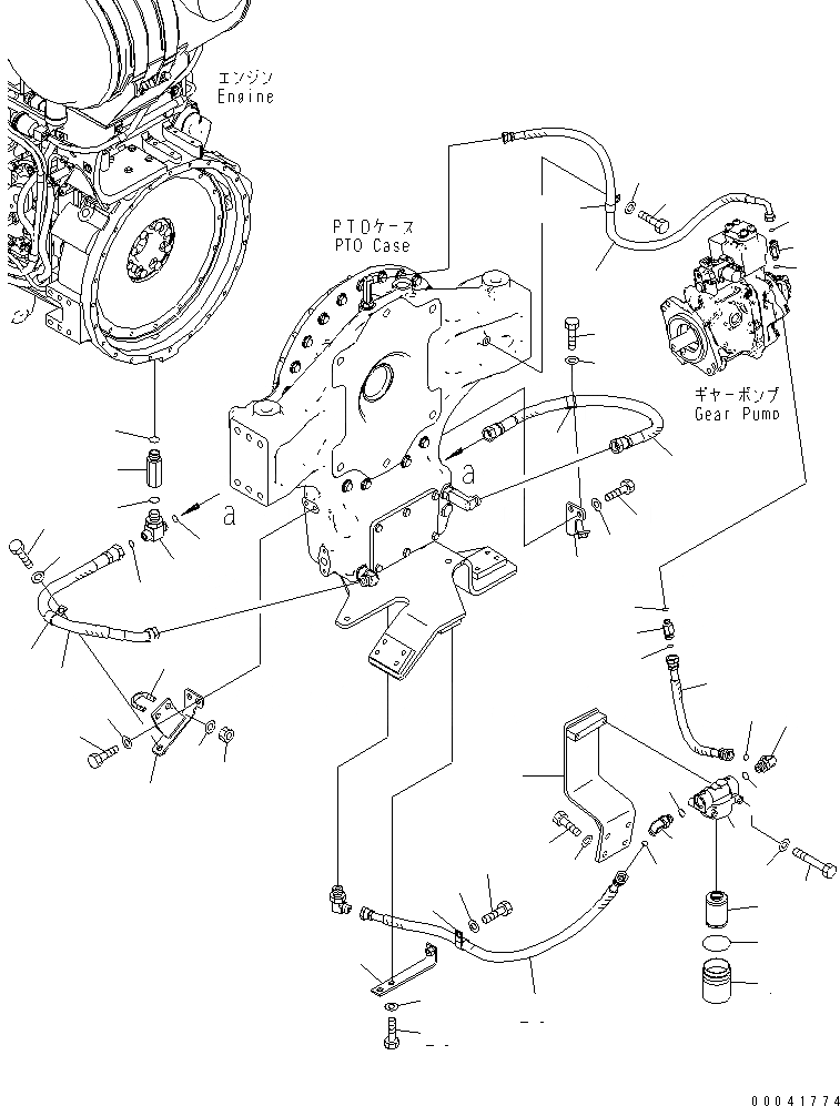
Запчасти Komatsu PC850SE-8R МЕХ-М ОТБОРА МОЩНОСТИ (СМАЗЫВАЮЩ. ЛИНИЯ) КОМПОНЕНТЫ ДВИГАТЕЛЯ

Схема запчастей Komatsu PC850SE-8R - МЕХ-М ОТБОРА МОЩНОСТИ (СМАЗЫВАЮЩ. ЛИНИЯ) КОМПОНЕНТЫ ДВИГАТЕЛЯ
1
2
3
4
4
5
6
7
8
9
9
10
10
11
11
12
13
14
15
16
17
18
19
20
21
22
23
24
25
26
27
28
29
30
31
32
33
33
34
35
36
37
38
39
40
41
42
43
44
45
46
47
48
49
50
51
FIT
1:1
100%

Артикул

Название

Примечание

Количество

1

209-01-42232

BRACKET

2

01010-81230

BOLT

3

01643-31232

WASHER

4

209-01-42251

FILTER ASS'Y

5

209-01-42260

ELEMENT ASS'Y

6

07000-F2065

O-RING

7

01011-81000

BOLT

8

01643-31032

WASHER

9

418-62-35111

ELBOW

10

07002-21823

O-RING

11

02896-21012

O-RING

12

21S-62-31461

NIPPLE

13

07002-21423

O-RING

14

02896-21009

O-RING

15

209-01-42311

UNION

16

02896-21012

O-RING

17

07002-21423

O-RING

18

02762-00405

HOSE

19

02763-00311

HOSE

20

04434-51612

CLIP

21

01010-81225

BOLT

22

01643-31232

WASHER

23

02762-00409

HOSE

24

22S-62-14450

BRACKET

25

01010-81225

BOLT

26

01643-31232

WASHER

27

04434-51912

CLIP

28

01010-81225

BOLT

29

01643-31232

WASHER

30

203-62-61410

JOINT

31

07002-22434

O-RING

32

21N-64-36720

TEE

33

02896-21015

O-RING

34

07002-22434

O-RING

35

02764-00506

HOSE

36

02762-00507

HOSE

37

209-01-42281

BRACKET

38

01010-81225

BOLT

39

01643-31232

WASHER

40

07283-32738

CLIP

41

01597-01009

NUT

42

01643-31032

WASHER

43

04434-52312

CLIP

44

01010-81225

BOLT

45

01643-31232

WASHER

46

209-01-42270

BRACKET

47

01010-81225

BOLT

48

01643-31232

WASHER

49

04434-52312

CLIP

50

01010-81225

BOLT

51

01643-31232

WASHER

Выбрано товаров: 51