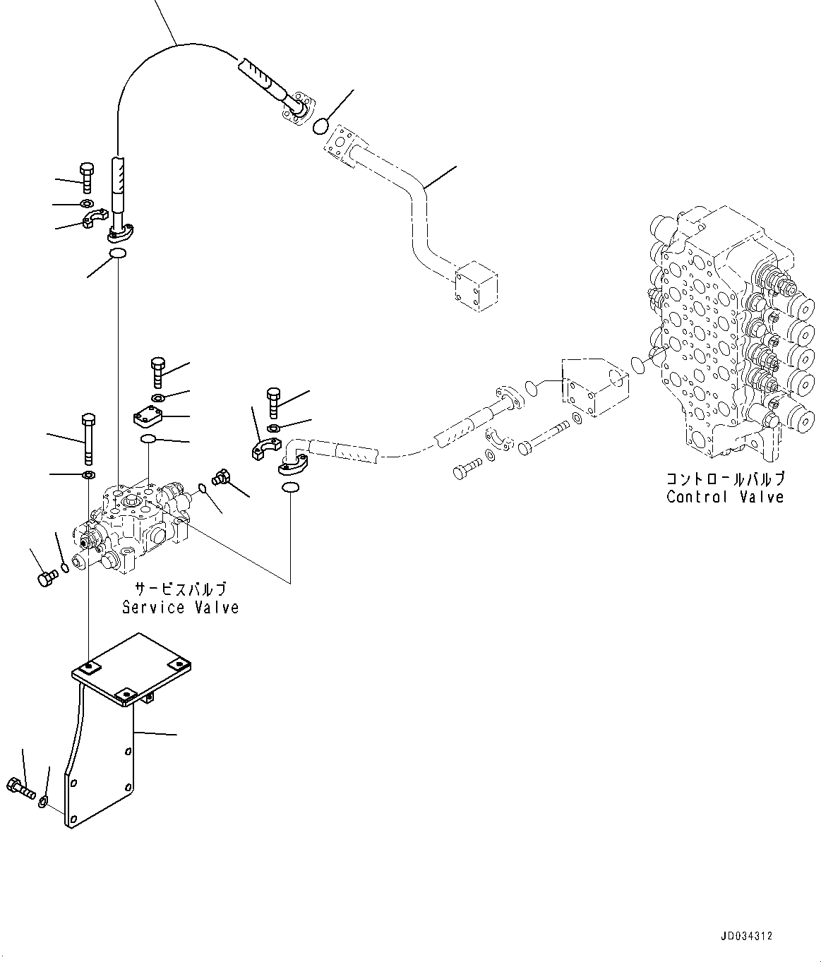
Запчасти Komatsu PC850SE-8R1 СЕРВИСНЫЙ КЛАПАН ТРУБЫ, КОМПОНЕНТЫ (№7-) СЕРВИСНЫЙ КЛАПАН ТРУБЫ, С -СЕРВИСНЫЙ КЛАПАН

Схема запчастей Komatsu PC850SE-8R1 - СЕРВИСНЫЙ КЛАПАН ТРУБЫ, КОМПОНЕНТЫ (№7-) СЕРВИСНЫЙ КЛАПАН ТРУБЫ, С -СЕРВИСНЫЙ КЛАПАН
10
13
12
11
9
2
1
15
16
3
5
4
14
17
13
8
6
7
19
18
18
19
20
FIT
1:1
100%

Артикул

Название

Примечание

Количество

1

01010-81285

Bolt

2

01643-31232

Washer

3

07371-51260

Flange, Split

4

01010-81245

Bolt

5

01643-31232

Washer

6

209-62-43290

Bracket

7

01010-81640

Bolt

8

01643-31645

Washer

9

07371-31255

Flange, Split

10

07372-21035

Bolt

11

01643-51032

Washer

12

07298-012A8

Hose, Flange Type

13

07000-B3038

O-ring

14

207-62-56190

Flange

15

07000-13035

O-ring

16

07372-21040

Bolt

17

01643-51032

Washer

18

07040-12012

Plug

19

07002-12034

O-ring

20

209-64-14131

Tube

Выбрано товаров: 20