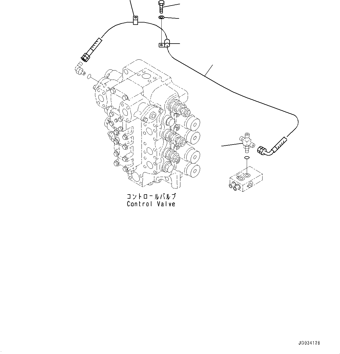
Запчасти Komatsu PC850SE-8R1 ПРОПОРЦИОНАЛЬН. PRESSURE УПРАВЛ-Е (PPC) ПРЯМ. ГИДРОЛИНИЯ ХОДА(№7-) ПРОПОРЦИОНАЛЬН. PRESSURE УПРАВЛ-Е (PPC) ПРЯМ. ХОД ТРУБЫ

Схема запчастей Komatsu PC850SE-8R1 - ПРОПОРЦИОНАЛЬН. PRESSURE УПРАВЛ-Е (PPC) ПРЯМ. ГИДРОЛИНИЯ ХОДА(№7-) ПРОПОРЦИОНАЛЬН. PRESSURE УПРАВЛ-Е (PPC) ПРЯМ. ХОД ТРУБЫ
2
3
4
2
1
5
FIT
1:1
100%

Артикул

Название

Примечание

Количество

1

209-62-42391

Hose

2

04434-51712

Clip

3

01010-81225

Bolt

4

01643-31232

Washer

5

209-64-16491

Tee

Выбрано товаров: 5