Качественные детали и логистика
Оригинальные и аналоговые запчасти с доставкой по России, Казахстану и Беларуси
©2022 PartSell ООО "Система" ИНН 2463123282 ОГРН 1212400004838
Центральный офис: г. Красноярск, Академика Киренского, д.87, пом.4
Телефон: 8 (800) 777-65-74 Email: zakaz@partsell.ru
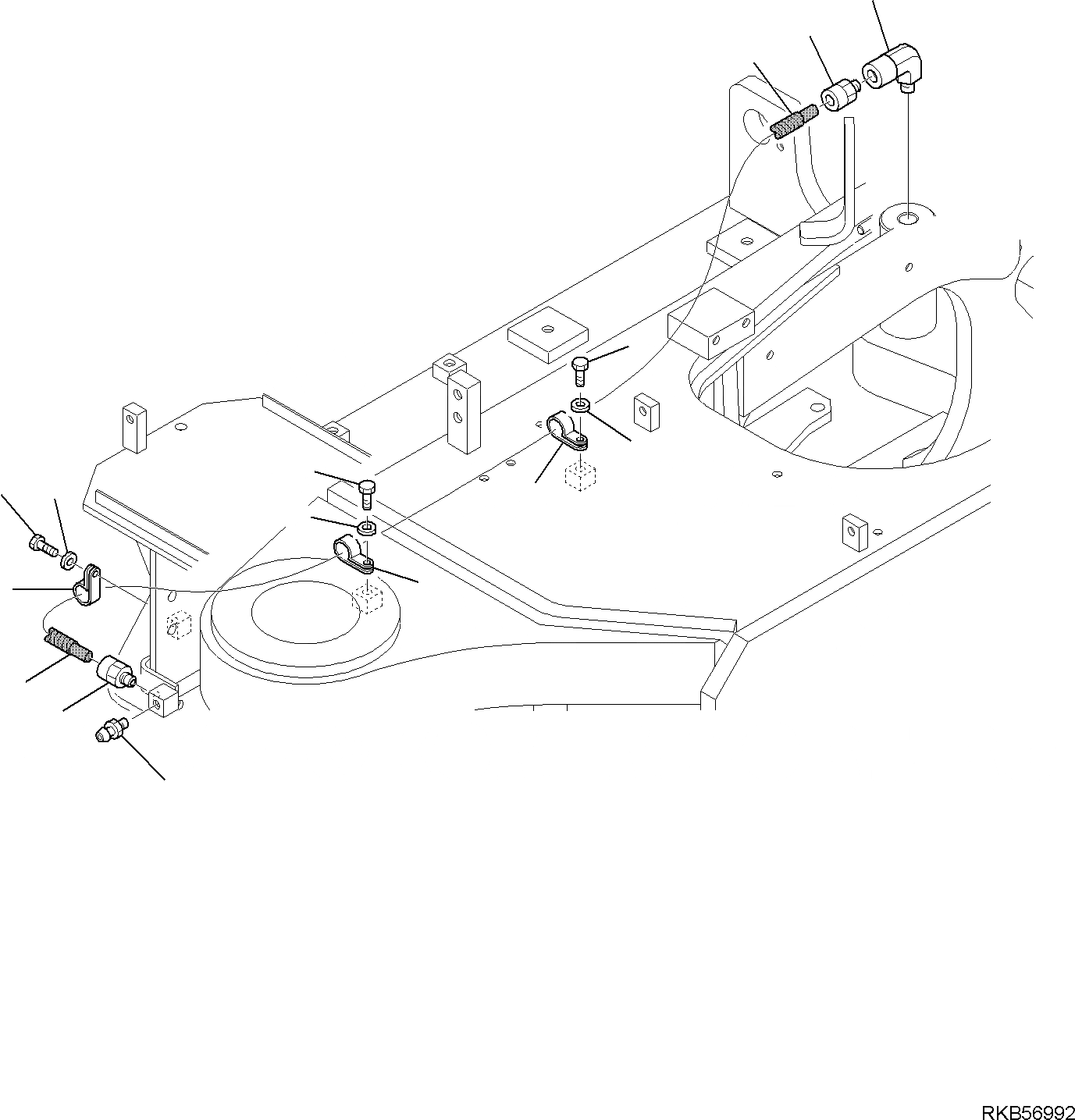
СИСТЕМА СМАЗКИ МАСЛ. СИСТЕМА
№
Артикул
Название
Примечание
Количество
1
21W-46-48281
TUBE ASSEMBLY
2
21R-46-11411
NIPPLE
3
22E-46-11370
ELBOW
4
07020-00000
FITTING, GREASE
5
04434-51010
CLAMP
6
01010-81020
BOLT
7
01643-11032
WASHER
Выбрано товаров: 0