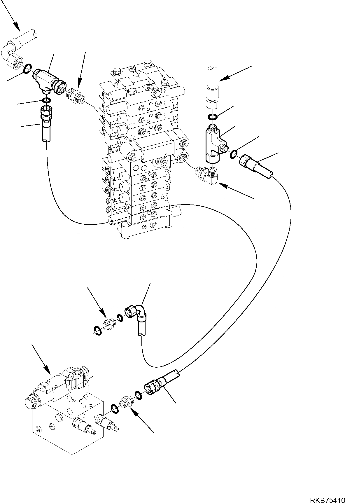
Запчасти Komatsu PC88MR-6 ГИДРОЛИНИЯ (РЕЖУЩ. И ВРАЩАЮЩ. КОВШ) (/) РАБОЧЕЕ ОБОРУДОВАНИЕ ГИДРАВЛИКА

Схема запчастей Komatsu PC88MR-6 - ГИДРОЛИНИЯ (РЕЖУЩ. И ВРАЩАЮЩ. КОВШ) (/) РАБОЧЕЕ ОБОРУДОВАНИЕ ГИДРАВЛИКА
2
3
4
7
6
1
7
5
1
5
A
A
A
B
B
C
C
FIT
1:1
100%

Артикул

Название

Примечание

Количество

1

21W-973-R290

HOSE

2

21W-973-R230

TEE ASSEMBLY

3

02896-11018

O-RING

4

02896-11012

O-RING

5

02760-00511

HOSE

6

37D-09-7R873

TEE

7

02896-11015

O-RING

Выбрано товаров: 7