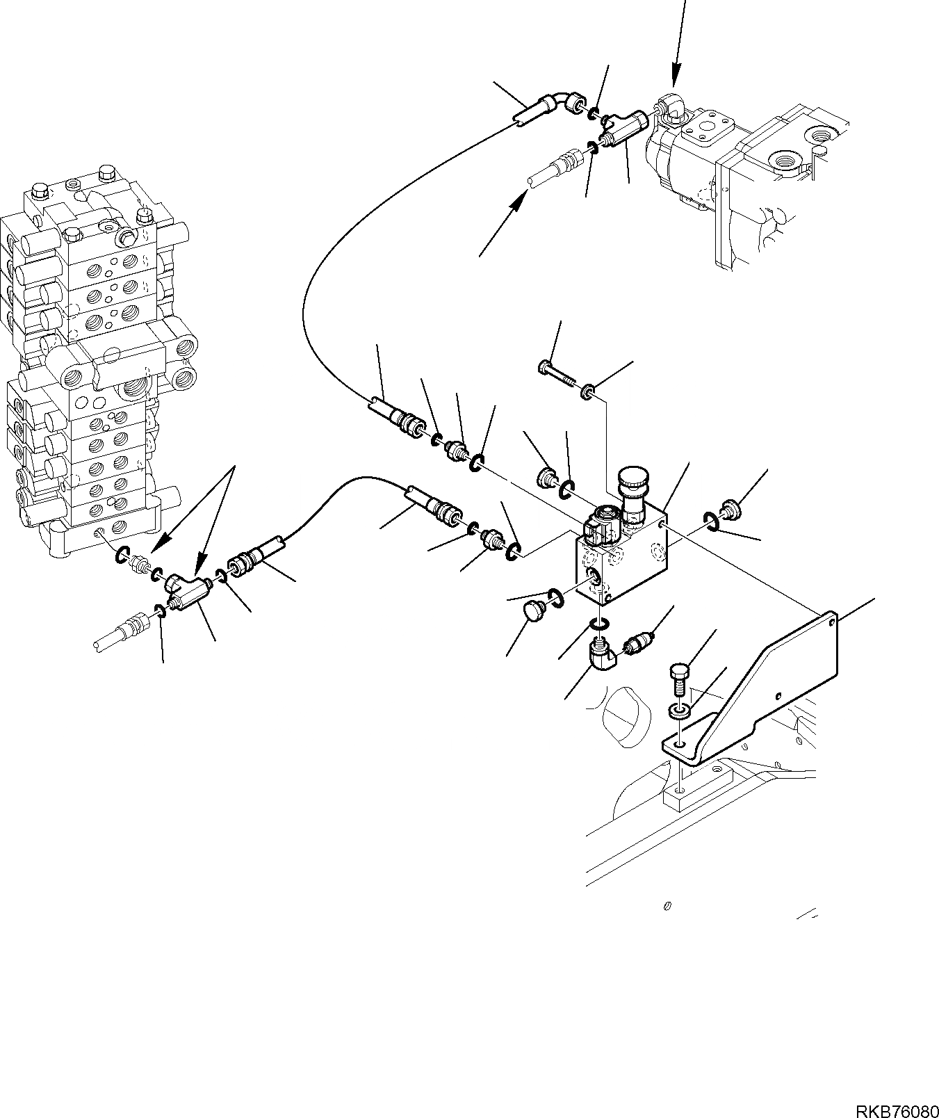
Запчасти Komatsu PC88MR-6 ГИДРОЛИНИЯ (БЫСТРОСЪЕМН. МЕХ-М) (/) РАБОЧЕЕ ОБОРУДОВАНИЕ ГИДРАВЛИКА

Схема запчастей Komatsu PC88MR-6 - ГИДРОЛИНИЯ (БЫСТРОСЪЕМН. МЕХ-М) (/) РАБОЧЕЕ ОБОРУДОВАНИЕ ГИДРАВЛИКА
20
18
19
20
2
18
3
14
12
13
11
10
1
10
13
15
11
14
12
15
4
11
9
5
17
16
6
8
10
17
7
A
B
B
FIT
1:1
100%

Артикул

Название

Примечание

Количество

1

21W-09-R5310

SOLENOID VALVE, ASSEMBLY

2

01010-80865

BOLT

3

01643-10823

WASHER

4

21W-09-R5320

BRACKET FOR VALVE

5

01010-81225

BOLT

6

01643-11232

WASHER

7

21W-09-R5520

ELBOW

8

21D-09-69960

O-RING

9

21W-09-R5450

PRESSURE SWITCH

10

37D-09-5K751

PLUG

11

21D-09-69960

O-RING

12

226-09-12690

UNION

13

21D-09-69960

O-RING

14

02896-11008

O-RING

15

02756-00212

HOSE

16

37D-09-7F750

TEE

17

02896-11008

O-RING

18

02761-00318

HOSE

19

37D-09-7R871

UNION

20

02896-11009

O-RING

Выбрано товаров: 20