Запчасти Komatsu PC88MR-6 ЭЛЕКТРИКА (КАБИНА) (/) КОМПОНЕНТЫ ДВИГАТЕЛЯ И ЭЛЕКТРИКА

Схема запчастей Komatsu PC88MR-6 - ЭЛЕКТРИКА (КАБИНА) (/) КОМПОНЕНТЫ ДВИГАТЕЛЯ И ЭЛЕКТРИКА
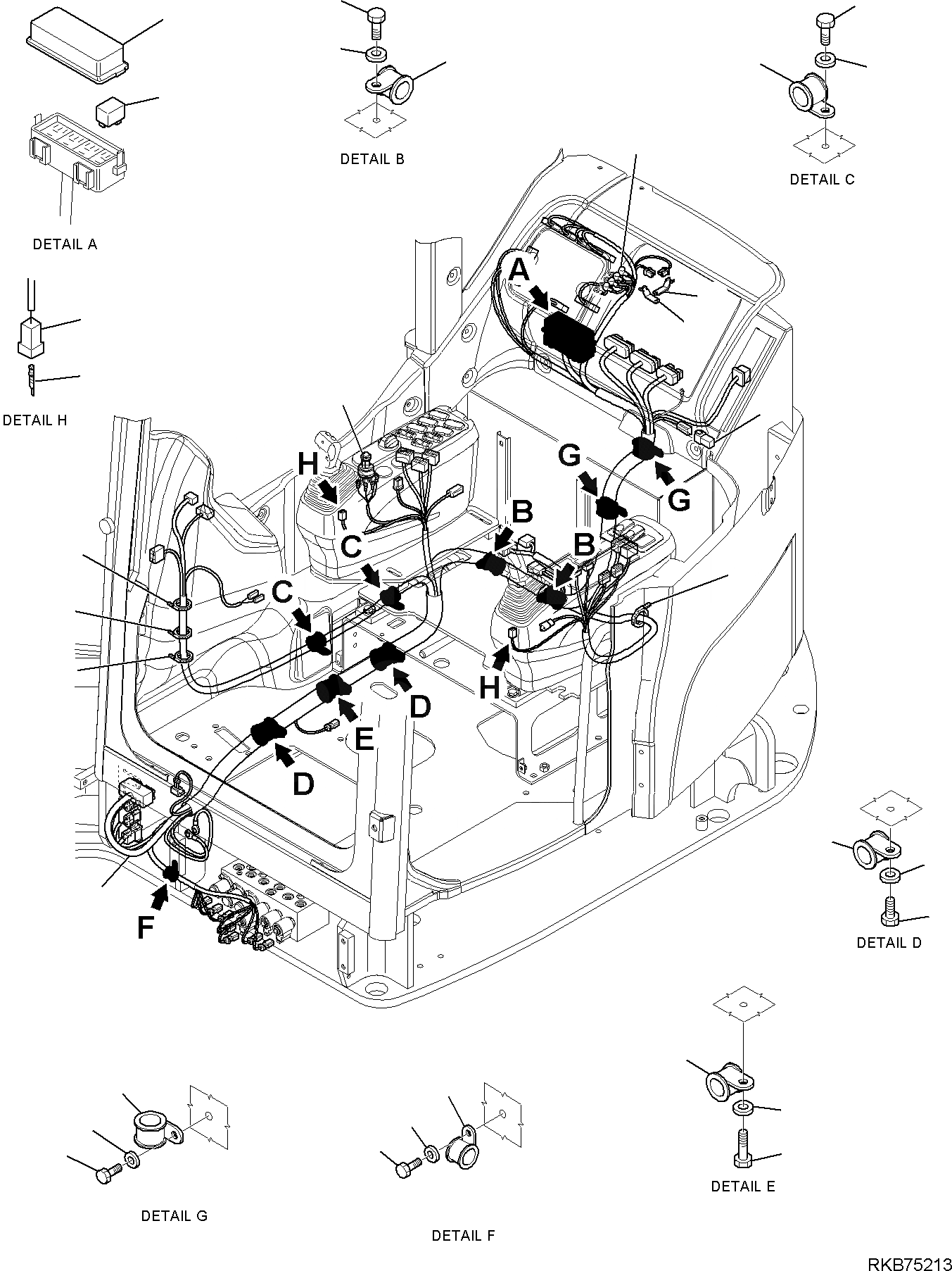
16
20
7
17
15
12
14
11
10
5
9
5
8
6
22
1
18
2
3
16
14
4
17
16
19
19
14
21
21
20
18
13
FIT
1:1
100%

Артикул

Название

Примечание

Количество

1

08034-20519

CLAMP

2

08059-00413

CLAMP

3

08059-00413

CLAMP

4

21W-06-R1380

WIRING HARNESS, CAB

5

885190011

BRACKET

6

20S-06-31130

STARTING BLOCK

7

21W-09-R6650

COVER

8

21W-09-R6790

TERMINAL

9

21W-09-R6780

CONNECTOR

10

21W-09-R6710

BOOT, RED

11

21W-09-R6740

RELAY

12

22M-03-11530

CLAMP

13

01010-80820

BOLT

14

01643-10823

WASHER

15

04434-53411

CLAMP

16

01010-81020

BOLT

17

01643-11032

WASHER

18

08034-20536

BAND

19

22M-03-11530

CLAMP

20

01010-81020

BOLT

21

01643-11032

WASHER

22

21W-06-R1387

CONNECTOR, MONOBOOM CONFIGURATION

22

21W-06-R1388

CONNECTOR, 2-PIECE BOOM CONFIGURATION

Выбрано товаров: 23