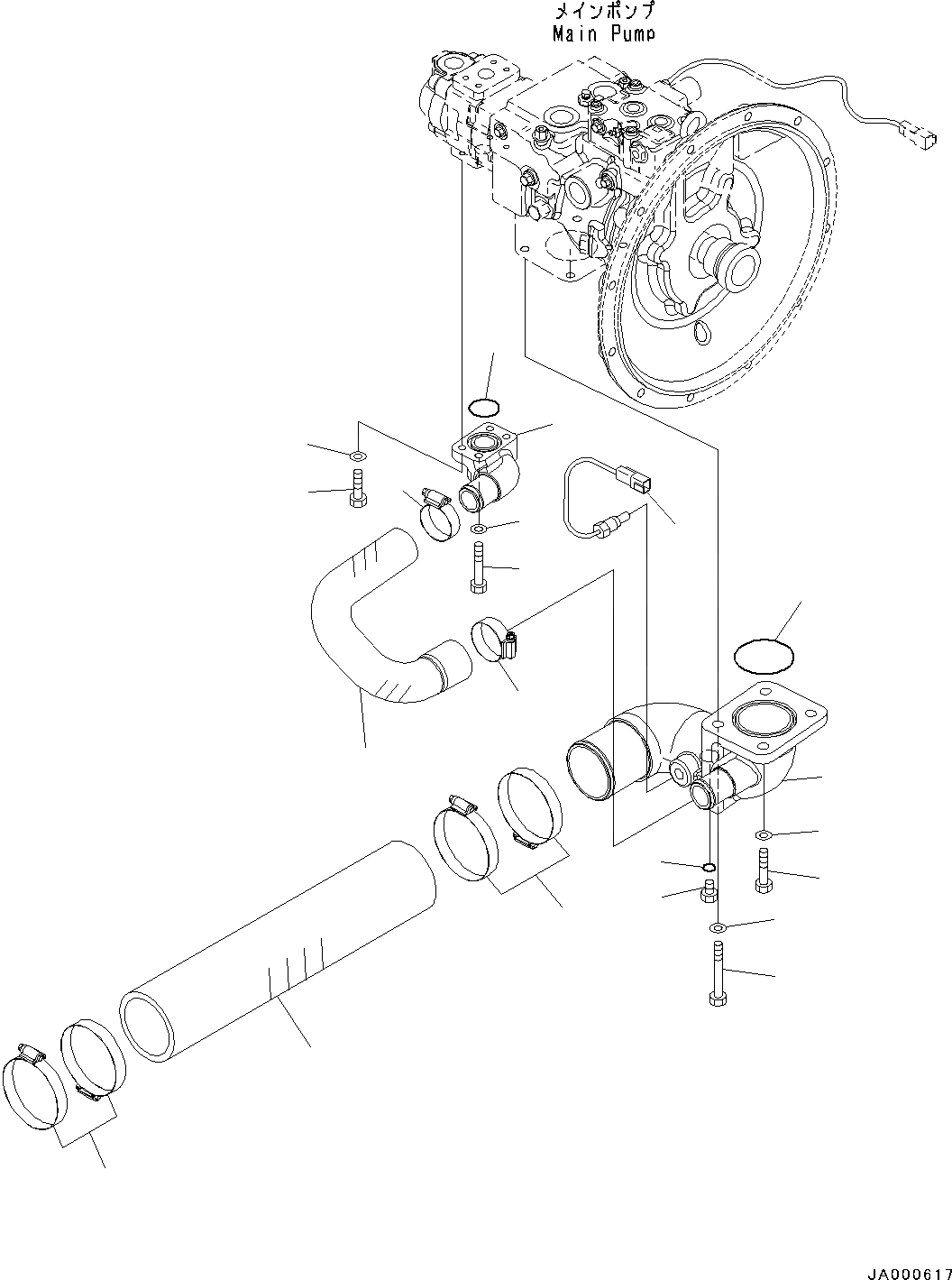
Запчасти Komatsu PC88MR-8 ВСАСЫВ. ТРУБЫ (№-) ВСАСЫВ. ТРУБЫ

Схема запчастей Komatsu PC88MR-8 - ВСАСЫВ. ТРУБЫ (№-) ВСАСЫВ. ТРУБЫ
8
7
8
9
10
3
4
1
5
6
2
12
11
15
16
12
14
13
18
17
19
FIT
1:1
100%

Артикул

Название

Примечание

Количество

1

21W-62-53311

Elbow

2

07000-12070

O-ring

3

01010-81240

Bolt

4

01643-31232

Washer

5

01011-81240

Bolt

6

01643-31232

Washer

7

21W-62-48331

Hose

8

07289-00095

Clamp

9

07040-12412

Plug

10

07002-12434

O-ring

11

21W-62-53320

Hose

12

07289-00055

Clamp

13

21W-62-43260

Elbow

14

07000-13032

O-ring

15

01010-80830

Bolt

16

01643-30823

Washer

17

01010-80850

Bolt

18

01643-30823

Washer

19

7861-93-3320

Sensor, Oil Temperature, Oil, Suction

Выбрано товаров: 0