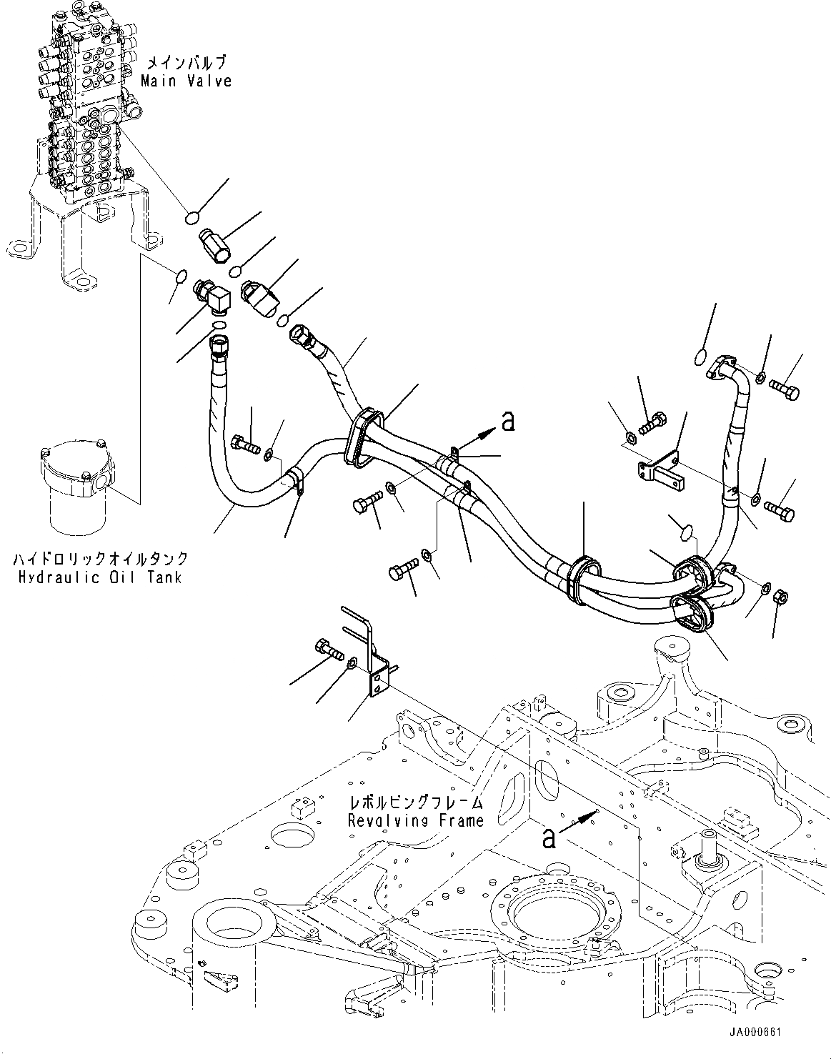
Запчасти Komatsu PC88MR-8 ЛИНИИ МАСЛООХЛАДИТЕЛЯ (№-) ЛИНИИ МАСЛООХЛАДИТЕЛЯ

Схема запчастей Komatsu PC88MR-8 - ЛИНИИ МАСЛООХЛАДИТЕЛЯ (№-) ЛИНИИ МАСЛООХЛАДИТЕЛЯ
1
2
3
4
5
6
7
8
9
10
11
12
13
14
15
16
17
18
19
20
21
22
23
24
25
29
30
31
32
20
19
13
18
34
33
28
27
26
FIT
1:1
100%

Артикул

Название

Примечание

Количество

1

21W-62-43111

Joint

2

07002-13334

O-ring

3

21W-973-4141

Elbow

4

07002-13334

O-ring

5

207-62-64740

O-ring

6

22P-62-11311

Hose

7

07000-13032

O-ring

8

01010-81035

Bolt

9

01643-31032

Washer

10

155-61-15350

Clip

11

01010-81225

Bolt

12

01643-31232

Washer

13

22P-62-11330

Grommet

14

22P-62-11321

Hose

15

07000-13032

O-ring

16

01643-31032

Washer

17

01580-11008

Nut

18

155-61-15350

Clip

19

01010-81225

Bolt

20

01643-31232

Washer

21

21W-62-42640

Elbow

22

07002-13334

O-ring

23

207-62-64740

O-ring

24

21W-62-22510

Grommet

25

22P-62-11340

Grommet

26

22P-62-12361

Bracket

27

01010-81225

Bolt

28

01643-31232

Washer

29

22P-62-11351

Bracket

30

01010-80820

Bolt

31

01643-30823

Washer

32

155-61-15350

Clip

33

01010-81225

Bolt

34

01643-31232

Washer

Выбрано товаров: 0