Запчасти Komatsu PC88MR-8 ДОПОЛН. АКТУАТОР ТРУБЫ, СОЛЕНОИДНЫЙ КЛАПАН (№-) ДОПОЛН. АКТУАТОР ТРУБЫ, С -ДОПОЛН. АКТУАТОР ТРУБЫ

Схема запчастей Komatsu PC88MR-8 - ДОПОЛН. АКТУАТОР ТРУБЫ, СОЛЕНОИДНЫЙ КЛАПАН (№-) ДОПОЛН. АКТУАТОР ТРУБЫ, С -ДОПОЛН. АКТУАТОР ТРУБЫ
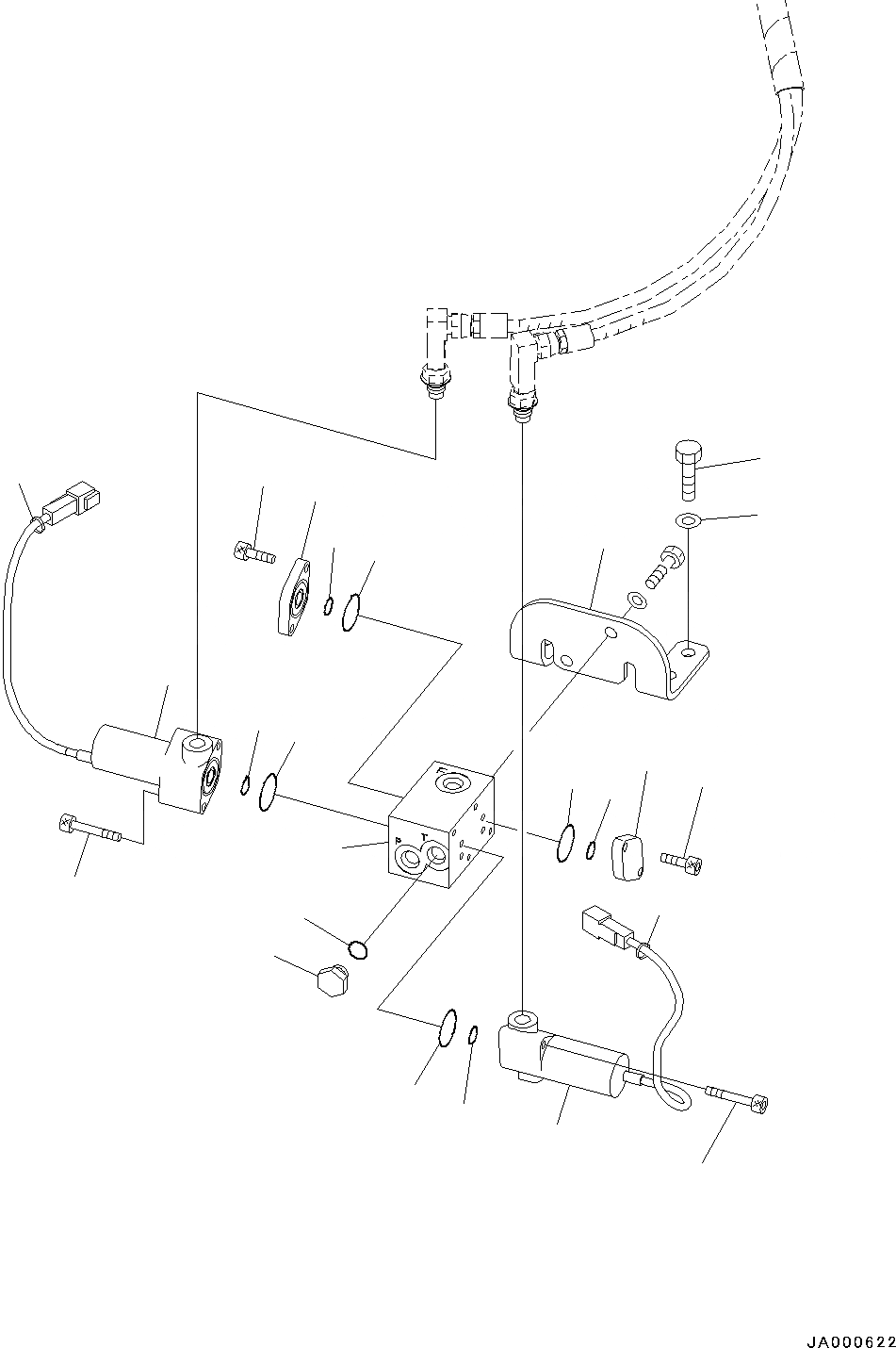
1
2
3
4
5
6
7
8
9
10
11
12
13
5
9
11
12
13
5
5
13
13
4
8
FIT
1:1
100%

Артикул

Название

Примечание

Количество

1

22P-62-12670

Bracket

2

01010-81025

Bolt

3

01643-31032

Washer

4

22P-60-12200

Valve Assembly

5

07000-12011

O-ring

6

07040-11409

Plug

7

07002-11423

O-ring

8

08034-20414

Band

9

203-60-62220

Bolt

10

20J-62-13120

Block

11

20J-62-13251

Plate

12

20J-62-13260

Bolt

13

700-93-11320

O-ring

Выбрано товаров: 13