Запчасти Komatsu PC88MR-8 ОСНОВНАЯ РАМА (№-) ОСНОВНАЯ РАМА, С АККУМУЛЯТОР DISCONNECT ПЕРЕКЛЮЧАТЕЛЬ

Схема запчастей Komatsu PC88MR-8 - ОСНОВНАЯ РАМА (№-) ОСНОВНАЯ РАМА, С АККУМУЛЯТОР DISCONNECT ПЕРЕКЛЮЧАТЕЛЬ
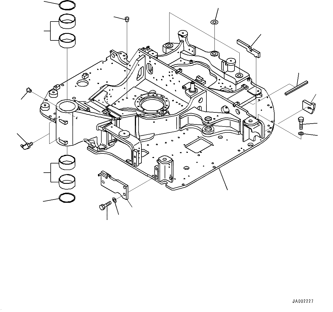
1
4
3
2
5
6
7
13
14
15
9
8
9
8
10
11
12
FIT
1:1
100%

Артикул

Название

Примечание

Количество

1

22P-46-11113

Frame

1

22P-46-11112

Frame

2

22P-46-11121

Plate

3

01010-82055

Bolt

4

01643-32060

Washer

5

22P-46-11161

Sheet

6

22P-46-11190

Sheet

7

22P-06-12410

Sheet

8

07145-00140

Seal

9

22P-70-11240

Bushing

10

07020-00900

Fitting, Grease

11

07049-01620

Plug

12

07049-01215

Plug

13

21K-46-21190

Plate, T=1.0mm

13

363-46-32140

Shim, T=0.5mm

|$15

20S-71-11250

Spacer, T=2.3mm

14

01010-81016

Bolt

15

01643-31032

Washer

Выбрано товаров: 18