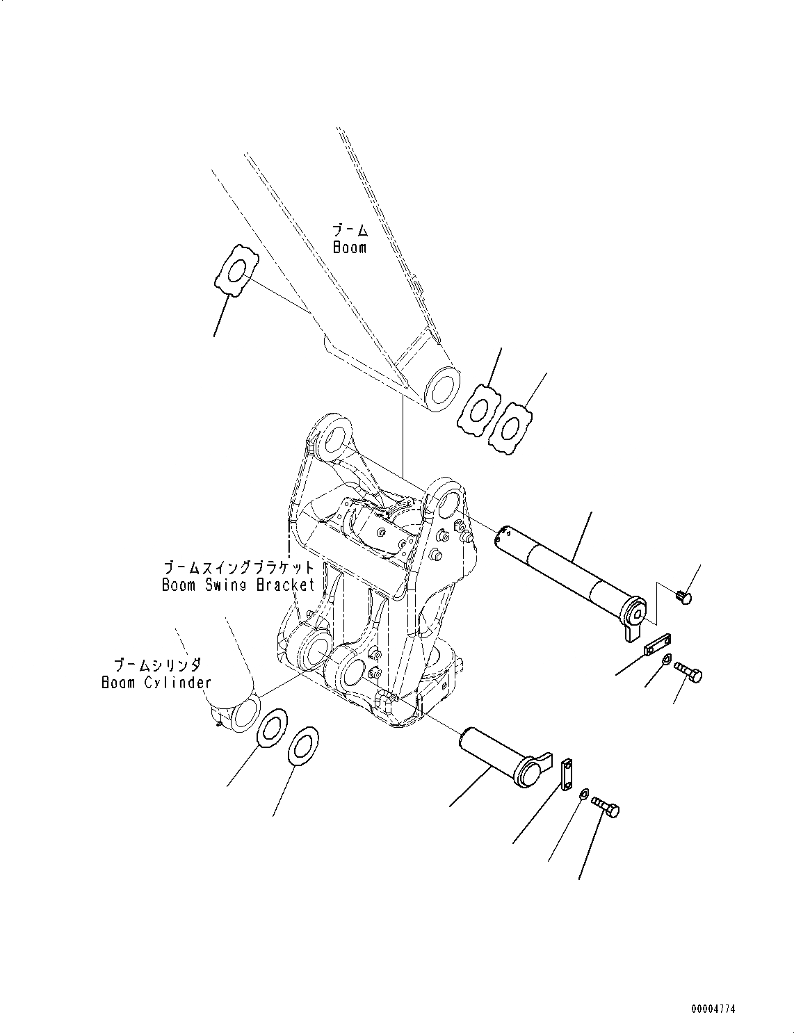
Запчасти Komatsu PC88MR-8 ПАЛЕЦ СТРЕЛЫ(№-) СТРЕЛА НИЖН. ПАЛЕЦ

Схема запчастей Komatsu PC88MR-8 - ПАЛЕЦ СТРЕЛЫ(№-) СТРЕЛА НИЖН. ПАЛЕЦ
13
12
11
9
10
7
3
2
1
4
6
5
8
2
FIT
1:1
100%

Артикул

Название

Примечание

Количество

1

21W-70-48231

Pin

2

21W-70-41930

Spacer, T=1.0mm

3

21W-70-41940

Spacer, T=1.5mm

4

205-70-66580

Plate

5

01010-81230

Bolt

6

01643-31232

Washer

7

22F-46-11240

Cap

8

22P-70-11360

Pin

9

205-70-66580

Plate

10

01010-81230

Bolt

11

01643-31232

Washer

12

21Y-70-14710

Spacer, T=1.0mm

13

21Y-70-14850

Spacer, T=0.20mm

Выбрано товаров: 0