Запчасти Komatsu PC88MR-8 ЛЕВ. КРЫШКА(№-) ЛЕВ. COVER, С АККУМУЛЯТОР DISCONNECT ПЕРЕКЛЮЧАТЕЛЬ

Схема запчастей Komatsu PC88MR-8 - ЛЕВ. КРЫШКА(№-) ЛЕВ. COVER, С АККУМУЛЯТОР DISCONNECT ПЕРЕКЛЮЧАТЕЛЬ
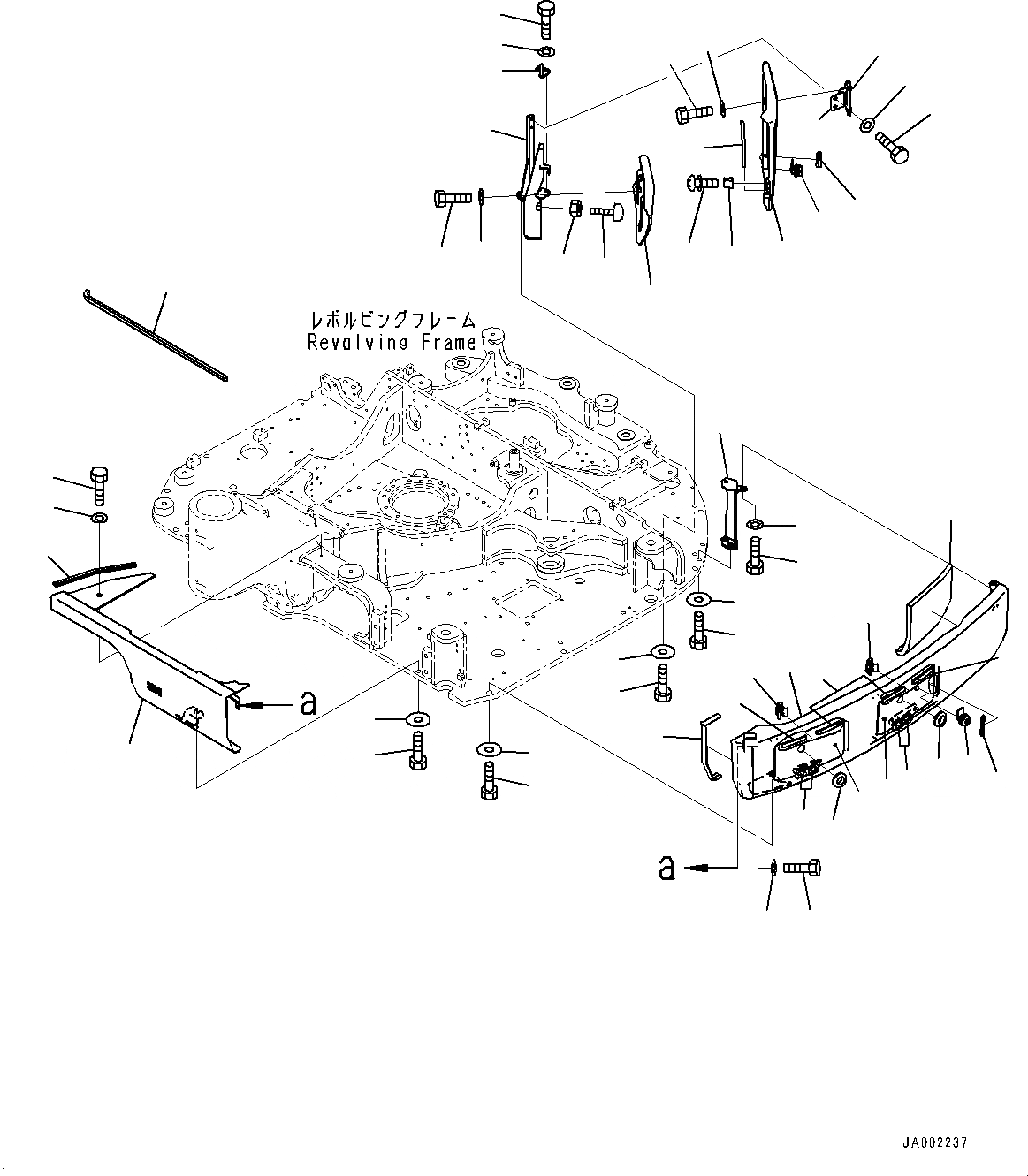
1
3
4
6
7
8
9
10
11
12
13
15
14
16
17
19
20
21
23
22
24
25
26
27
28
29
30
31
32
33
34
35
36
37
38
39
40
41
42
43
33
34
9
9
11
44
45
46
47
48
50
49
2
5
18
FIT
1:1
100%

Артикул

Название

Примечание

Количество

1

22P-54-11511

Cover

2

22P-54-12850

Cover

3

22P-54-12681

Stopper

4

20N-54-71440

Hinge

5

22P-54-12860

Cover

6

22P-54-12681

Stopper

7

20N-54-71440

Hinge

8

22P-54-12531

Sheet

9

21W-46-41530

Seal

10

22B-46-24361

Lock Assembly

11

08037-02512

Grommet

12

01010-81245

Bolt

13

175-54-34170

Washer

14

01010-81225

Bolt

15

01643-31232

Washer

16

01010-81235

Bolt

17

01643-31232

Washer

18

21W-46-41530

Seal

19

22P-54-11161

Cover

20

22P-54-12411

Sheet

21

22P-54-12431

Seal

22

01010-81245

Bolt

23

175-54-34170

Washer

24

01010-81225

Bolt

25

01643-31232

Washer

26

22P-54-12230

Seal

27

22P-54-11111

Cover

28

22B-46-24180

Spring

29

01023-10512

Screw

30

20Y-54-29232

Bar

31

22P-54-11141

Hinge

32

203-54-62180

Hinge,Welded

33

01010-81225

Bolt

34

01643-31232

Washer

35

22P-54-11881

Bracket

36

22P-54-11171

Cover

37

01010-81225

Bolt

38

01643-31232

Washer

39

22B-46-24361

Lock Assembly

40

08037-02512

Grommet

41

22P-54-12810

Bracket

42

01010-81225

Bolt

43

01643-31232

Washer

44

20Y-54-11611

Stopper

45

01580-11008

Nut

46

01010-81245

Bolt

47

175-54-34170

Washer

48

22P-54-12181

Bracket

49

01010-81245

Bolt

50

175-54-34170

Washer

Выбрано товаров: 0