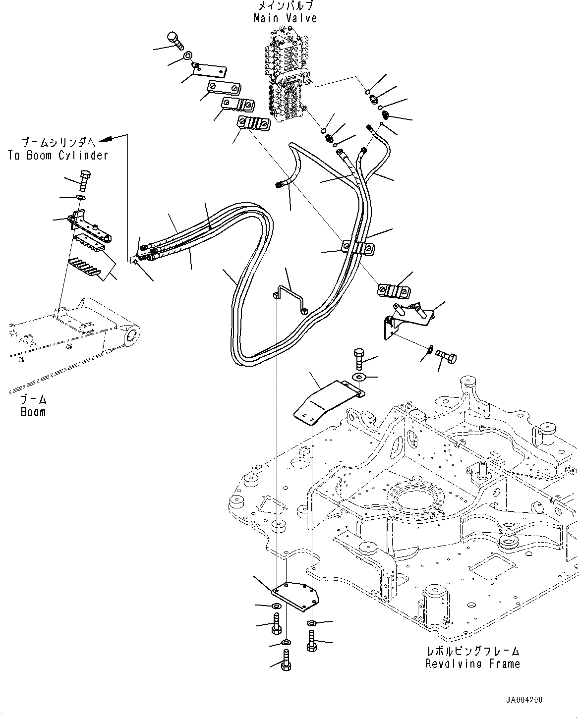
Запчасти Komatsu PC88MR-8 ТРУБЫ СТРЕЛЫ, (№-7) ТРУБЫ СТРЕЛЫ, С ПОВОРОТН. ОТВАЛ С ИЗМ. УГЛОМ

Схема запчастей Komatsu PC88MR-8 - ТРУБЫ СТРЕЛЫ, (№-7) ТРУБЫ СТРЕЛЫ, С ПОВОРОТН. ОТВАЛ С ИЗМ. УГЛОМ
4
5
7
10
12
11
4
2
1
3
6
8
9
38
28
29
29
28
36
37
39
40
35
34
32
33
30
31
23
17
18
19
13
14
16
15
11
24
25
20
22
21
27
26
FIT
1:1
100%

Артикул

Название

Примечание

Количество

1

02781-00522

Union

2

07002-12434

O-ring

3

02896-11015

O-ring

4

22P-62-11121

Hose

4

21U-62-34710

Band, Yellow

5

02896-11015

O-ring

6

21W-62-42820

Joint

7

02783-10422

Elbow

8

07002-12034

O-ring

9

07002-12434

O-ring

10

02896-11012

O-ring

11

22P-62-11131

Hose

11

21U-62-34720

Band, Black

12

02896-11012

O-ring

13

21W-62-48990

Cushion

14

22P-62-12152

Bracket

15

01010-81230

Bolt

16

01643-31232

Washer

17

22P-62-12731

Bracket

18

01010-81230

Bolt

19

01643-31232

Washer

20

22P-62-11191

Plate

21

01010-81240

Bolt

22

01643-31232

Washer

23

22P-62-11231

Cushion

24

22P-62-11241

Cushion

25

22P-62-11251

Cushion

26

22P-910-1131

Cushion

27

22P-910-1141

Cushion

28

22P-62-12130

Hose Assembly

29

22P-62-12140

Hose Assembly

|$31

21U-62-34720

Band, Black

30

22P-62-11931

Cover

31

22P-62-11590

Cover

32

01010-81650

Bolt

33

01643-31645

Washer

34

01010-81225

Bolt

35

01643-31232

Washer

36

01010-81225

Bolt

37

175-54-34170

Washer

38

22P-62-11811

Stay

39

01016-51235

Bolt

40

01643-31232

Washer

Выбрано товаров: 43