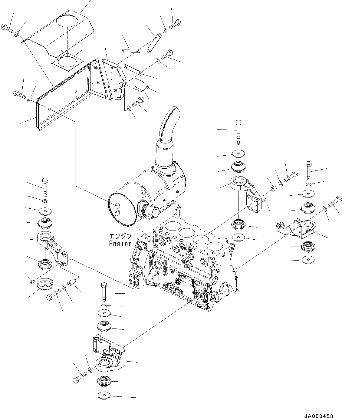
Запчасти Komatsu PC88MR-8 КРЕПЛЕНИЕ ДВИГАТЕЛЯ (№-) КРЕПЛЕНИЕ ДВИГАТЕЛЯ
27
28
25
27
28
23
22
23
24
25
26
27
28
29
30
31
32
33
34
19
4
5
6
18
21
20
18
19
19
21
20
12
13
14
15
16
17
18
19
19
18
2
3
1
18
20
21
21
20
8
7
9
11
10
19
19
19
18
18
FIT
1:1
100%
№
Артикул
Название
Примечание
Количество
Выбрано товаров: 0