Запчасти Komatsu PC88MR-8 ОСНОВН. КОНСТРУКЦИЯ, ПЕРЕКЛЮЧАТЕЛЬ ЗАПУСКА И ПЕРЕКЛЮЧАТЕЛЬ (№8-) ОСНОВН. КОНСТРУКЦИЯ, С БЫСТРОСЪЕМН. МЕХ-М ТРУБЫ, AM-FM РАДИО, ASIA И OCEANIA

Схема запчастей Komatsu PC88MR-8 - ОСНОВН. КОНСТРУКЦИЯ, ПЕРЕКЛЮЧАТЕЛЬ ЗАПУСКА И ПЕРЕКЛЮЧАТЕЛЬ (№8-) ОСНОВН. КОНСТРУКЦИЯ, С БЫСТРОСЪЕМН. МЕХ-М ТРУБЫ, AM-FM РАДИО, ASIA И OCEANIA
7
8
9
6
5
11
12
13
14
10
12
4
3
1
2
FIT
1:1
100%

Артикул

Название

Примечание

Количество

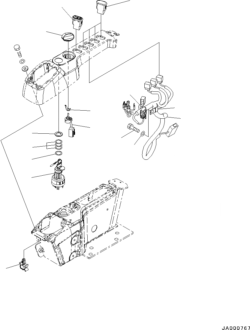
1

08086-20000

Switch, Starting

2

20Y-43-41740

Plate

3

20Y-43-41750

Washer

4

20Y-43-41790

Washer

5

22U-06-22380

Potentiometer

6

22U-06-22460

Spring

7

20Y-43-41781

Knob,Fuel Control Dial

7

20Y-43-41780

Knob, Fuel Control Dial

8

20Y-06-42121

Switch, Lamp

9

20Y-06-42190

Cover

10

22P-06-11691

Wiring Harness

11

22U-43-23260

Clip

12

04434-51710

Clip

13

01010-81016

Bolt

14

01643-31032

Washer

Выбрано товаров: 15