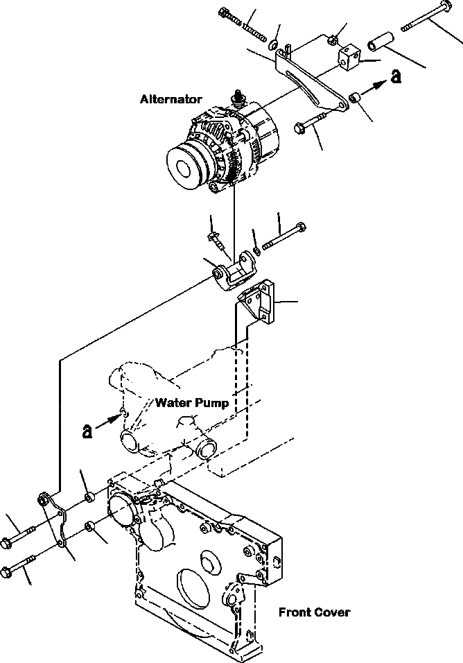
Запчасти Komatsu PC88MR-8 AEH- КРЕПЛЕНИЕ ГЕНЕРАТОРА AMP ДВИГАТЕЛЬ

Схема запчастей Komatsu PC88MR-8 - AEH- КРЕПЛЕНИЕ ГЕНЕРАТОРА AMP ДВИГАТЕЛЬ
7
9
8
4
1
5
6
3
2
13
12
14
11
10
17
16
17
15
16
FIT
1:1
100%

Артикул

Название

Примечание

Количество

1

6271-81-6420

BRACKET

2

01435-01035

BOLT

3

195-01-14540

COLLAR

4

01436-00805

BOLT

5

6271-81-6440

BLOCK

6

6161-61-6950

SPACER

7

6208-81-6590

BOLT

8

6204-11-3830

WASHER

9

01580-11008

NUT

10

6271-81-6340

BRACKET

11

6204-81-6321

BRACKET

12

01435-00816

BOLT

13

01018-31095

BOLT

14

01640-21016

WASHER

15

6271-81-6380

PLATE

16

01435-00875

BOLT

17

6204-81-6740

SPACER

Выбрано товаров: 17