Запчасти Komatsu PC88MR-8 AEH- ГЕНЕРАТОР КРЕПЛЕНИЕS AMP ДВИГАТЕЛЬ

Схема запчастей Komatsu PC88MR-8 - AEH- ГЕНЕРАТОР КРЕПЛЕНИЕS AMP ДВИГАТЕЛЬ
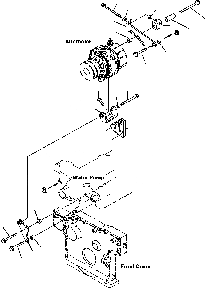
8
9
1
4
6
5
7
3
2
14
13
15
12
11
18
17
18
16
17
10
FIT
1:1
100%

Артикул

Название

Примечание

Количество

1

6271-81-6430

BRACKET

2

01435-01025

BOLT

3

205-54-75870

COLLAR

4

01436-00805

BOLT

5

6130-12-1961

SPACER

6

6271-81-6440

BLOCK

7

6161-61-6950

SPACER

8

6208-81-6590

BOLT

9

6204-11-3830

WASHER

10

01580-11008

NUT

11

6271-81-6340

BRACKET

12

6204-81-6321

BRACKET

13

01435-00816

BOLT

14

01018-31095

BOLT

15

01640-21016

WASHER

16

6271-81-6380

PLATE

17

01435-00875

BOLT

18

6204-81-6740

SPACER

Выбрано товаров: 18