Запчасти Komatsu PC88MR-8 H- ОСНОВН. ПОРШЕНЬ НАСОС ВНУТР. ЧАСТИ (/) ГИДРАВЛИКА

Схема запчастей Komatsu PC88MR-8 - H- ОСНОВН. ПОРШЕНЬ НАСОС ВНУТР. ЧАСТИ (/) ГИДРАВЛИКА
27
24
32
26
25
33
30
7
1
28
2
8
9
29
6
5
4
5
2
3
2
35
23
34
22
2
21
36
15
10
11
14
18
12
16
13
31
17
19
20
FIT
1:1
100%

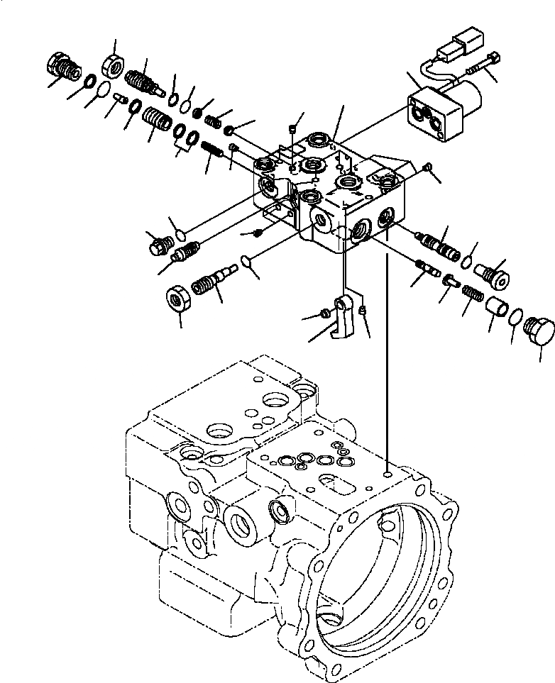
Артикул

Название

Примечание

Количество

|$1

708-3T-03260

VALVE ASSEMBLY, SERVO

|$2

708-3T-04360

BODY ASSEMBLY

1

NSS

BODY

2

NSS

PLUG

|$5

708-3T-04320

PISTON SUBASSEMBLY

3

NSS

PISTON

4

NSS

SLEEVE

5

708-1S-15390

SEAL

|$9

708-3T-04340

PISTON SUBASSEMBLY

6

NSS

PISTON

7

NSS

PLUG

8

708-1S-15390

SEAL

9

07002-11623

O-RING

10

708-3T-15280

SPOOL

11

708-3T-15310

SEAT

12

708-3T-15380

SPRING

13

708-3T-15290

RETAINER

14

708-3T-15250

PLUG

15

07000-11006

O-RING

16

01583-11207

NUT

17

708-3T-15260

LEVER

18

708-1S-15280

SPACER

19

07002-11623

O-RING

20

708-1S-15290

PLUG

21

708-3T-15560

PLUG

22

07002-11223

O-RING

23

708-3T-03710

SPOOL SUBASSEMBLY

24

708-3T-15521

PLUG

25

07000-11008

O-RING

26

07001-01008

RING, BACK-UP

27

01583-51408

NUT

28

708-3T-15530

SPRING

29

708-1S-15350

SEAT

30

708-1S-15360

SEAT

31

708-3T-15811

ORIFICE

32

702-21-57400

VALVE, PILOT

33

01252-60635

BOLT, HEXAGON SOCKET HEAD

34

708-8E-16150

PLUG

35

07002-11023

O-RING

36

20B-27-11210

BLEEDER

Выбрано товаров: 40