Запчасти Komatsu PC88MR-8 H- ГИДРОЛИНИЯ ВСАСЫВ. КОНТУР ГИДРАВЛИКА

Схема запчастей Komatsu PC88MR-8 - H- ГИДРОЛИНИЯ ВСАСЫВ. КОНТУР ГИДРАВЛИКА
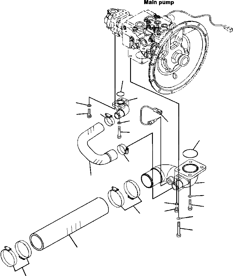
14
13
16
12
15
18
19
17
2
12
11
1
4
10
3
9
8
6
5
7
8
FIT
1:1
100%

Артикул

Название

Примечание

Количество

1

21W-62-53311

ELBOW

2

07000-12070

O-RING

3

01010-81240

BOLT

4

01643-31232

WASHER

5

01011-81240

BOLT

6

01643-31232

WASHER

7

21W-62-48331

HOSE, L=450 MM

8

07289-00095

CLAMP, HOSE

9

07040-12412

PLUG

10

07002-12434

O-RING

11

21W-62-53320

HOSE

12

07289-00055

CLAMP, HOSE

13

21W-62-43260

ELBOW

14

07000-13032

O-RING

15

01010-80830

BOLT

16

01643-30823

WASHER

17

01010-80850

BOLT

18

01643-30823

WASHER

19

7861-93-3320

SENSOR, TEMPERATURE

Выбрано товаров: 19