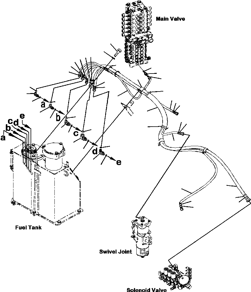
Запчасти Komatsu PC88MR-8 H- ГИДРОЛИНИЯ ДРЕНАЖН. КОНТУР - С ДОПОЛН. АКТУАТОР AND/OR СЕРВИСНЫЙ КЛАПАН (/) ГИДРАВЛИКА

Схема запчастей Komatsu PC88MR-8 - H- ГИДРОЛИНИЯ ДРЕНАЖН. КОНТУР - С ДОПОЛН. АКТУАТОР AND/OR СЕРВИСНЫЙ КЛАПАН (/) ГИДРАВЛИКА
19
20
9
7
8
10
18
8
15
7
14
18
16
9
26
10
6
24
17
3
8
23
10
25
1
21
13
9
22
10
6
29
11
12
27
4
13
28
11
12
2
5
9
8
7
7
FIT
1:1
100%

Артикул

Название

Примечание

Количество

1

22P-62-12111

HOSE ASSEMBLY

2

22P-62-11461

HOSE, L=2390 MM

3

22P-62-11471

HOSE, L=1060 MM

4

22P-62-11481

HOSE, L=1420 MM

5

22P-62-11611

HOSE, L=2540 MM

6

08034-20519

BAND

7

21U-62-34720

BAND, BLACK

8

21U-62-34730

BAND, GREEN

9

21U-62-34750

BAND, BLUE

10

21U-62-34770

BAND, WHITE

11

02782-10315

ELBOW

12

07002-12034

O-RING

13

02896-11009

O-RING

14

02781-0021D

UNION

15

07002-11423

O-RING

16

02896-11008

O-RING

17

22P-62-11430

HOSE ASSEMBLY, L=800 MM

18

23S-62-25850

CLIP

19

01010-81220

BOLT

20

01643-31232

WASHER

21

02782-10311

ELBOW

22

07002-11423

O-RING

23

02896-11009

O-RING

24

02782-10210

ELBOW

25

07002-11423

O-RING

26

02896-11008

O-RING

27

02782-10516

ELBOW

28

07002-12034

O-RING

29

02896-11015

O-RING

Выбрано товаров: 29