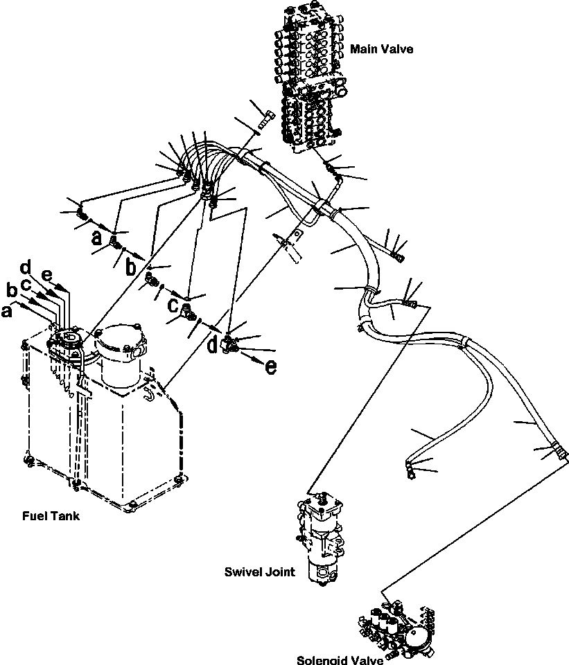
Запчасти Komatsu PC88MR-8 H- ГИДРОЛИНИЯ ДРЕНАЖН. КОНТУР - ДЛЯ СТАНДАРТН. MACHINE ГИДРАВЛИКА

Схема запчастей Komatsu PC88MR-8 - H- ГИДРОЛИНИЯ ДРЕНАЖН. КОНТУР - ДЛЯ СТАНДАРТН. MACHINE ГИДРАВЛИКА
21
22
9
7
8
10
20
8
17
16
7
20
18
9
28
10
6
26
3
19
8
25
27
10
1
23
15
9
24
10
6
31
11
14
13
4
29
13
30
12
2
5
9
8
7
7
FIT
1:1
100%

Артикул

Название

Примечание

Количество

1

22P-62-12111

HOSE ASSEMBLY

2

22P-62-11461

HOSE, L=2390 MM

3

22P-62-11471

HOSE, L=1060 MM

4

22P-62-11481

HOSE, L=1420 MM

5

22P-62-11611

HOSE, L=2540 MM

6

08034-20519

BAND

7

21U-62-34720

BAND, BLACK

8

21U-62-34730

BAND, GREEN

9

21U-62-34750

BAND, BLUE

10

21U-62-34770

BAND, WHITE

11

02782-10315

ELBOW

12

21W-62-46240

ELBOW

13

02896-11012

O-RING

14

07002-12034

O-RING

15

02896-11009

O-RING

16

02781-0021D

UNION

17

07002-11423

O-RING

18

02896-11008

O-RING

19

22P-62-11430

HOSE ASSEMBLY, L=800 MM

20

20Y-62-15950

CLIP

21

01010-81220

BOLT

22

01643-31232

WASHER

23

02782-10311

ELBOW

24

07002-11423

O-RING

25

02896-11009

O-RING

26

02782-10210

ELBOW

27

07002-11423

O-RING

28

02896-11008

O-RING

29

02782-10516

ELBOW

30

07002-12034

O-RING

31

02896-11015

O-RING

Выбрано товаров: 31