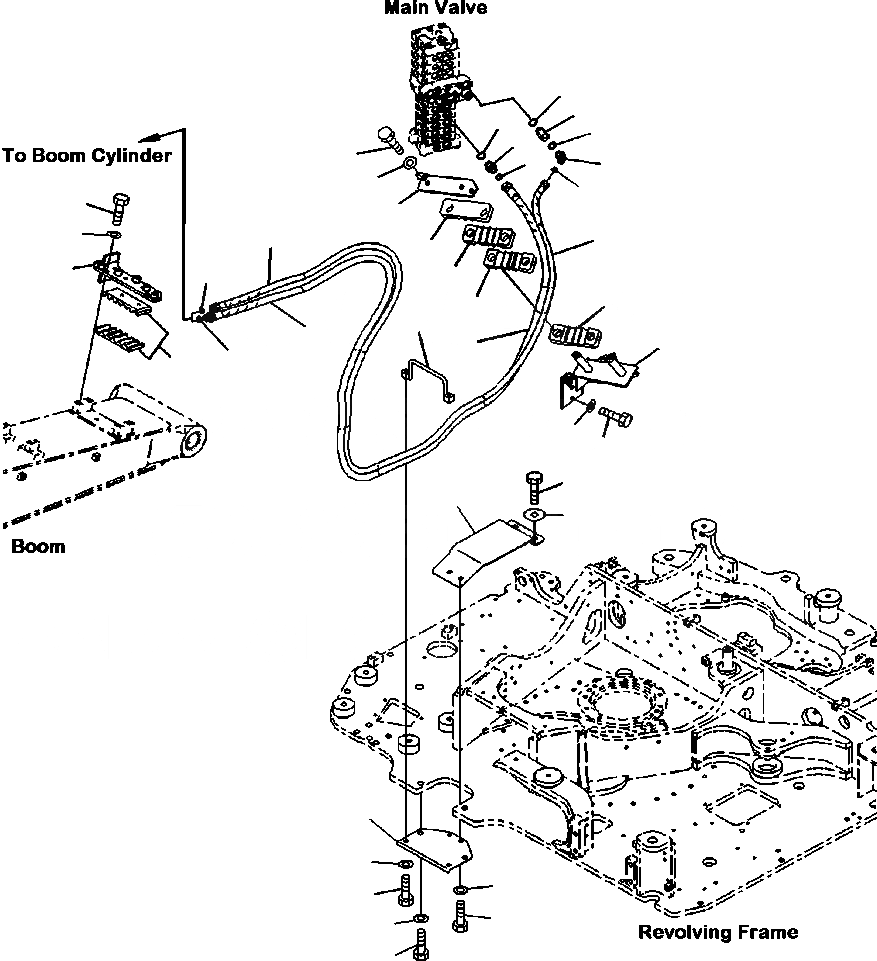
Запчасти Komatsu PC88MR-8 H-9 ГИДРОЛИНИЯ СТРЕЛА КОНТУР - MACHINE С ДОПОЛН. АКТУАТОРS ГИДРАВЛИКА

Схема запчастей Komatsu PC88MR-8 - H-9 ГИДРОЛИНИЯ СТРЕЛА КОНТУР - MACHINE С ДОПОЛН. АКТУАТОРS ГИДРАВЛИКА
8
6
2
9
1
21
3
7
22
10
15
20
16
11
11
26
14
12
25
23
24
35
4
17
4
5
13
19
18
33
27
34
28
37
32
36
31
30
29
FIT
1:1
100%

Артикул

Название

Примечание

Количество

1

02781-00522

UNION

2

07002-12434

O-RING

3

02896-11015

O-RING

4

22P-62-11121

HOSE, L=3570 MM

|$4

21U-62-34710

BAND, YELLOW

5

02896-11015

O-RING

6

21W-62-42820

JOINT

7

02783-10422

ELBOW

8

07002-12034

O-RING

9

07002-12434

O-RING

10

02896-11012

O-RING

11

22P-62-11131

HOSE, L=3510 MM

|$12

21U-62-34720

BAND, BLACK

12

02896-11012

O-RING

13

21W-62-48990

CUSHION

14

22P-62-11392

BRACKET

15

01010-81230

BOLT

16

01643-31232

WASHER

17

22P-62-12731

BRACKET

18

01010-81230

BOLT

19

01643-31232

WASHER

20

22P-62-12121

BRACKET

21

01010-81240

BOLT

22

01643-31232

WASHER

23

22P-62-11231

CUSHION

24

22P-62-11241

CUSHION

25

22P-62-11251

CUSHION

26

22P-62-12751

CUSHION

27

22P-62-11931

COVER

28

22P-62-11590

COVER

29

01010-81650

BOLT

30

01643-31645

WASHER

31

01010-81225

BOLT

32

01643-31232

WASHER

33

01010-81225

BOLT

34

175-54-34170

WASHER

35

22P-62-11811

STAY

36

01010-81225

BOLT

37

01643-31232

WASHER

Выбрано товаров: 39