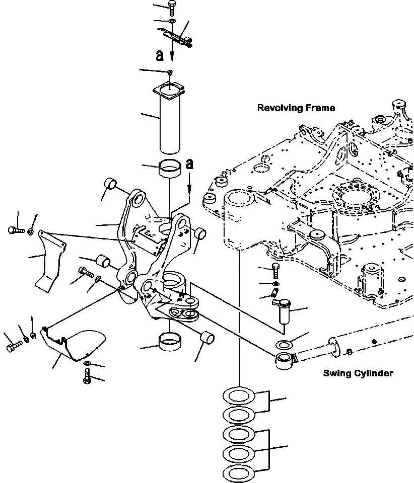
Запчасти Komatsu PC88MR-8 J- КОРПУС ПОВОРОТА СТРЕЛЫ ОСНОВНАЯ РАМА И ЕЕ ЧАСТИ

Схема запчастей Komatsu PC88MR-8 - J- КОРПУС ПОВОРОТА СТРЕЛЫ ОСНОВНАЯ РАМА И ЕЕ ЧАСТИ
15
14
16
6
5
2
18
3
19
1
4
3
17
11
12
21
22
10
9
27
26
25
13
2
4
24
20
23
8
7
FIT
1:1
100%

Артикул

Название

Примечание

Количество

|$0

22P-70-01110

BRACKET ASSEMBLY

1

22P-70-11221

BRACKET

2

22P-70-11230

BUSHING

3

21W-70-48130

BUSHING

4

21W-70-48140

BUSHING

5

22P-70-11211

PIN

6

22P-70-12350

CAP

7

22P-70-11251

SHIM

8

22P-70-11271

SHIM

9

22P-70-11280

PIN

10

205-70-66580

PLATE

11

01010-81230

BOLT

12

01643-31232

WASHER

13

21Y-70-14710

SPACER, T=1.0 MM

14

22P-70-11670

PLATE

15

01010-81435

BOLT

16

01643-31445

WASHER, FLAT

17

22P-70-11521

COVER

18

01010-81025

BOLT

19

01643-31032

WASHER,

20

22P-70-11331

COVER

21

01010-81035

BOLT

22

203-54-56970

WASHER

23

01010-81035

BOLT

24

203-54-56970

WASHER

25

01010-81035

BOLT

26

01643-31032

WASHER

27

22P-70-11590

COLLAR

Выбрано товаров: 28