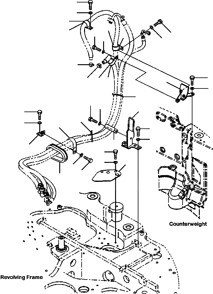
Запчасти Komatsu PC88MR-8 K7- КОНДИЦ. ГИДР. ПРОВОД. ОБОГРЕВАТЕЛЯ OPERATOR\XD S ОБСТАНОВКА И СИСТЕМА УПРАВЛЕНИЯ

Схема запчастей Komatsu PC88MR-8 - K7- КОНДИЦ. ГИДР. ПРОВОД. ОБОГРЕВАТЕЛЯ OPERATOR\XD S ОБСТАНОВКА И СИСТЕМА УПРАВЛЕНИЯ
10
11
8
3
9
4
6
2
5
7
1
26
2
3
25
1
27
24
13
14
17
21
24
22
12
18
19
12
20
29
28
30
16
15
23
FIT
1:1
100%

Артикул

Название

Примечание

Количество

1

11Y-09-11160

CLAMP, HOSE

2

04434-53411

CLAMP, HOSE

3

07095-20627

CUSHION

4

01010-81030

BOLT

5

01643-31032

WASHER

6

01010-81030

BOLT

7

01643-31032

WASHER

8

04434-53412

CLAMP, HOSE

9

07095-20627

CUSHION

10

01010-81225

BOLT

11

01643-31232

WASHER

12

21K-03-11190

CLAMP

13

01010-81030

BOLT

14

01643-31032

WASHER

15

01010-81225

BOLT

16

01643-31232

WASHER

17

22P-979-1880

BRACKET

18

01010-81225

BOLT

19

01643-31232

WASHER

20

21T-38-71260

BRACKET

21

01010-81225

BOLT

22

01643-31232

WASHER

23

22P-979-1280

GROMMET

24

08034-20536

STRAP, TIE

25

22P-979-1890

BRACKET

26

01010-81025

BOLT

27

01643-31032

WASHER

28

22P-979-1290

PLATE

29

01010-81225

BOLT

30

01643-31232

WASHER

Выбрано товаров: 30