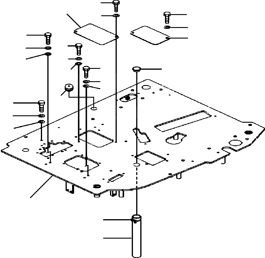
Запчасти Komatsu PC88MR-8 K-7 ОСНОВН. КОНСТРУКЦИЯ OPERATOR\XD S ОБСТАНОВКА И СИСТЕМА УПРАВЛЕНИЯ

Схема запчастей Komatsu PC88MR-8 - K-7 ОСНОВН. КОНСТРУКЦИЯ OPERATOR\XD S ОБСТАНОВКА И СИСТЕМА УПРАВЛЕНИЯ
6
5
3
7
4
14
2
11
15
12
16
14
10
13
15
16
17
11
12
13
1
9
8
FIT
1:1
100%

Артикул

Название

Примечание

Количество

1

22P-53-13111

FLOOR

2

22P-53-13121

PLATE

3

01010-81016

BOLT

4

01643-31032

WASHER

5

22P-53-13130

PLATE

6

01010-81016

BOLT

7

01643-31032

WASHER

8

07286-03833

HOSE

9

07280-04726

CLAMP, HOSE

10

22U-54-25581

GROMMET

11

01010-81020

BOLT

12

01643-31032

WASHER

13

01643-31032

WASHER

14

01010-81020

BOLT

15

01643-31032

WASHER

16

01643-31032

WASHER

17

22U-54-25540

GROMMET

Выбрано товаров: 17