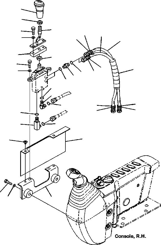
Запчасти Komatsu PC88MR-8 K-7 FLLOR РАМА КЛАПАН PPCДЛЯ ОТВАЛ OPERATOR\XD S ОБСТАНОВКА И СИСТЕМА УПРАВЛЕНИЯ

Схема запчастей Komatsu PC88MR-8 - K-7 FLLOR РАМА КЛАПАН PPCДЛЯ ОТВАЛ OPERATOR\XD S ОБСТАНОВКА И СИСТЕМА УПРАВЛЕНИЯ
12
18
17
15
11
13
16
14
17
15
2
3
4
6
5
7
10
9
8
1
FIT
1:1
100%

Артикул

Название

Примечание

Количество

|$0

702-16-01600

VALVE ASSEMBLY, PPC

1

NSS

BODY, VALVE

2

NSS

VALVE

3

702-16-51140

SHIM, T=0.30 MM

|$4

702-16-54670

SHIM, T=0.20 MM

4

702-16-54550

SPRING

5

702-16-54571

RETAINER

6

702-16-54160

SPRING

7

702-16-53170

PISTON

8

702-16-51270

SEAL

9

702-16-54580

COLLAR

10

702-16-54590

O-RING

11

NSS

LEVER

12

NSS

PLATE

13

NSS

SHAFT

14

702-16-54641

BOOT

15

01252-60625

BOLT, HEXAGON SOCKET HEAD

16

702-16-54660

PLATE

17

702-16-54650

PLATE

N/I

702-16-54670

SHIM, T=0.20 MM

18

702-16-54880

FILTER

Выбрано товаров: 0