Запчасти Komatsu PC88MR-8 K-77 ОСНОВН. КОНСТРУКЦИЯ РЫЧАГ УПРАВЛЕНИЯ ОТВАЛОМ OPERATOR\XD S ОБСТАНОВКА И СИСТЕМА УПРАВЛЕНИЯ

Схема запчастей Komatsu PC88MR-8 - K-77 ОСНОВН. КОНСТРУКЦИЯ РЫЧАГ УПРАВЛЕНИЯ ОТВАЛОМ OPERATOR\XD S ОБСТАНОВКА И СИСТЕМА УПРАВЛЕНИЯ
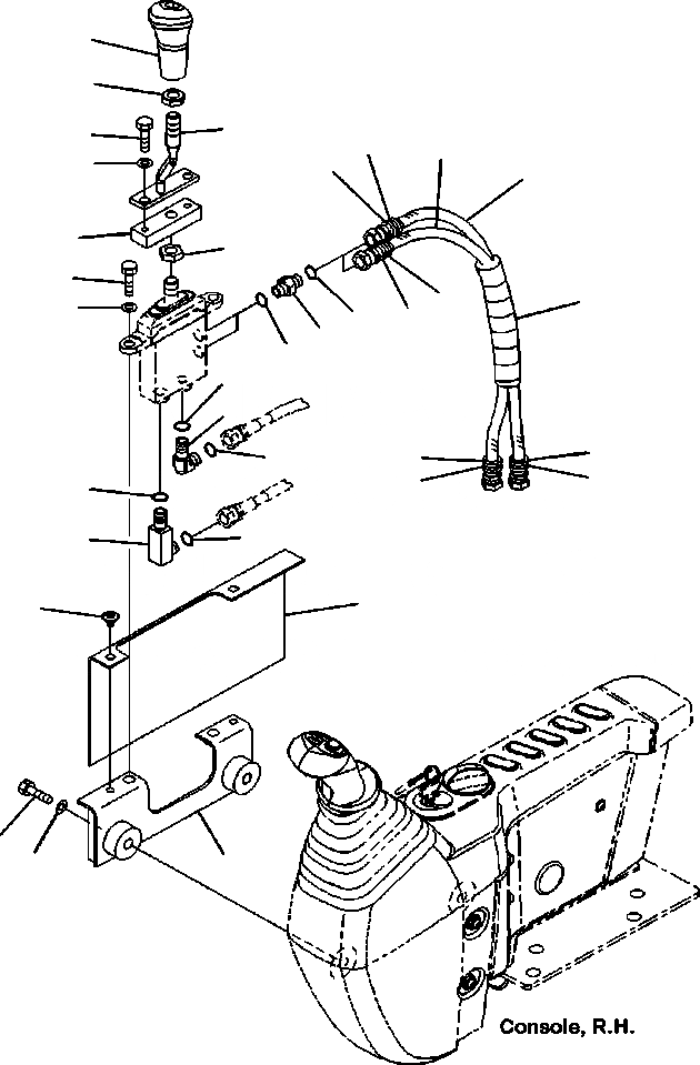
11
12
6
7
23
27
26
8
24
10
9
1
22
28
2
25
21
19
20
17
16
28
27
18
25
14
26
15
13
29
30
4
5
3
FIT
1:1
100%

Артикул

Название

Примечание

Количество

1

01010-D1025

BOLT

2

01643-71032

WASHER

3

22P-43-13320

BRACKET

4

01010-81030

BOLT

5

01643-31032

WASHER

6

22P-43-13330

LEVER

7

01010-D0825

BOLT

8

01643-70823

WASHER

9

01583-11408

NUT

10

22U-43-21730

SEAL

11

20T-43-71110

KNOB

12

20T-43-71190

NUT

13

21W-62-43990

ELBOW

14

07000-12011

O-RING

15

02896-11008

O-RING

16

21W-62-43980

ELBOW

17

07000-12011

O-RING

18

02896-11008

O-RING

19

11Y-62-12140

NIPPLE

20

07000-12011

O-RING

21

02896-11008

O-RING

22

22P-62-15302

HOSE ASSEMBLY

23

22P-62-15460

HOSE, L=1480 MM

24

22P-62-15360

HOSE, L=2260 MM

25

20Y-62-22850

BAND, GREEN

26

20Y-62-22830

BAND, WHITE

27

20Y-62-22820

BAND, BLUE

28

20Y-62-22790

BAND, RED

29

22B-43-23580

SHEET

30

22B-54-16461

RIVET

Выбрано товаров: 30