Запчасти Komatsu PC88MR-8 APH- УПРАВЛ-Е ДВИГАТЕЛЕМ MODULE И ДАТЧИКS ДВИГАТЕЛЬ

Схема запчастей Komatsu PC88MR-8 - APH- УПРАВЛ-Е ДВИГАТЕЛЕМ MODULE И ДАТЧИКS ДВИГАТЕЛЬ
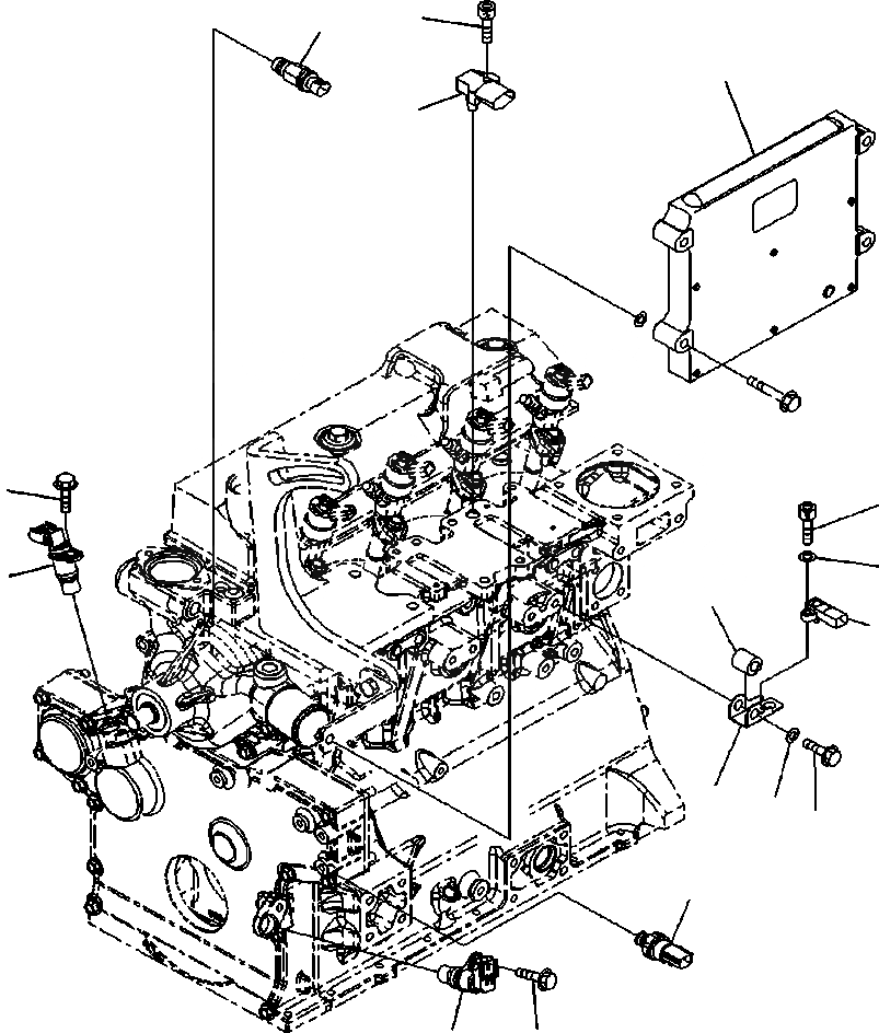
15
10
1
9
14
3
2
4
13
6
5
8
7
16
12
11
FIT
1:1
100%

Артикул

Название

Примечание

Количество

2

6261-81-2600

SENSOR, AMBIENT AIR PRESSURE

3

01252-60516

BOLT

4

01640-20508

WASHER

5

6271-81-9190

BRACKET

6

6210-11-5820

SPACER

7

01435-01045

BOLT

8

01643-31032

WASHER

9

6271-81-1910

SENSOR, BOOST PRESSURE AND TEMPERATURE

|$9

6271-81-1930

O-RING

10

01252-60616

BOLT

11

6271-81-9200

SENSOR ASSEMBLY, ENGINE SPEED

|$12

6754-81-9410

SENSOR ASSEMBLY

|$13

6271-81-9220

O-RING

12

01435-00820

BOLT

13

6261-81-2901

SENSOR, ENGINE SPEED

|$16

6261-81-2911

SENSOR

|$17

6271-81-9220

O-RING

14

01435-00820

BOLT

15

6261-81-6901

SENSOR ASSEMBLY, WATER TEMPERATURE

|$20

6216-84-9740

SEAL

16

6271-81-1940

SWITCH, OIL PRESSURE

|$22

6271-81-1950

SWITCH

|$23

6219-81-1990

O-RING

Выбрано товаров: 23