Запчасти Komatsu PC88MR-8 W- КОРПУС ДЛЯ НАСОС АВТОМАТИЧ. ЗАПРАВКИ ТОПЛИВА АКСЕССУАРЫ

Схема запчастей Komatsu PC88MR-8 - W- КОРПУС ДЛЯ НАСОС АВТОМАТИЧ. ЗАПРАВКИ ТОПЛИВА АКСЕССУАРЫ
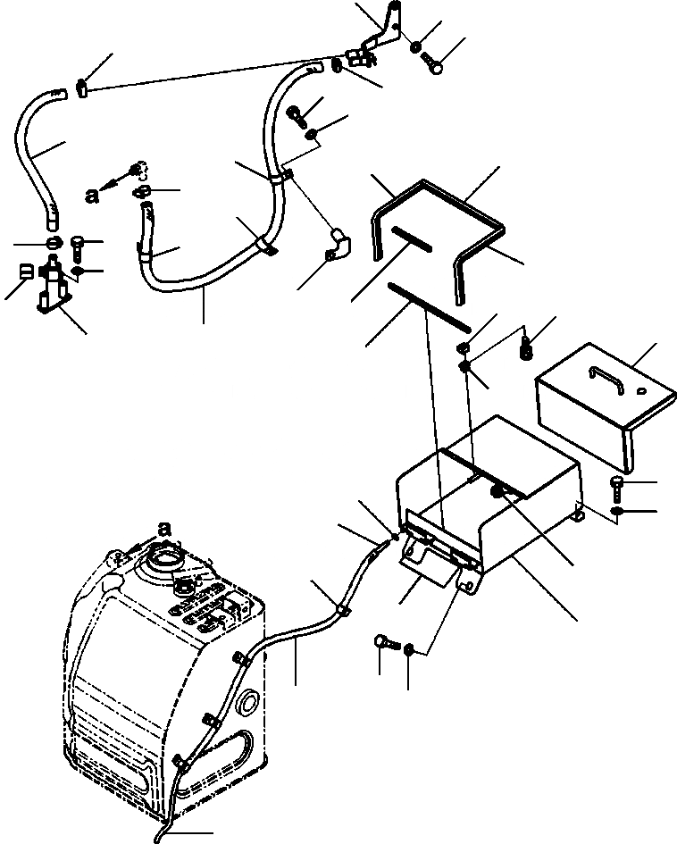
11
13
12
3
3
6
7
2
5
21
21
3
5
9
5
3
10
21
4
15
14
22
18
1
15
8
20
17
26
25
27
24
28
19
16
15
26
23
27
24
FIT
1:1
100%

Артикул

Название

Примечание

Количество

1

22P-04-11420

HOSE, L=1460 MM

2

22P-04-11430

HOSE, L=570 MM

3

198-09-31210

CLAMP, HOSE

4

22P-04-11460

BRACKET

5

04434-52712

CLIP, HOSE

6

01010-81225

BOLT

7

01643-31232

WASHER

8

22P-04-11440

BRACKET

9

01010-81025

BOLT

10

01643-31032

WASHER

11

22P-04-11880

BRACKET

12

01010-81230

BOLT

13

01643-31232

WASHER

14

22F-62-32230

PLUG

|$14

22P-04-11510

BOX ASSEMBLY, TOOL

15

22P-04-11520

BOX, TOOL

16

14X-54-39980

HINGE

17

20R-54-11460

SPRING

18

01023-10512

SCREW

19

22B-46-24361

LOCK ASSEMBLY

20

22P-04-11550

TRIM

21

22P-04-11560

SEAL

22

22P-04-11580

SHEET

23

22P-04-11570

HOSE

24

08017-A1310

CONDUIT

25

04434-52712

CLAMP, HOSE

26

01010-81225

BOLT

27

01643-31232

WASHER

28

08211-01320

CLIP, HOSE

Выбрано товаров: 0