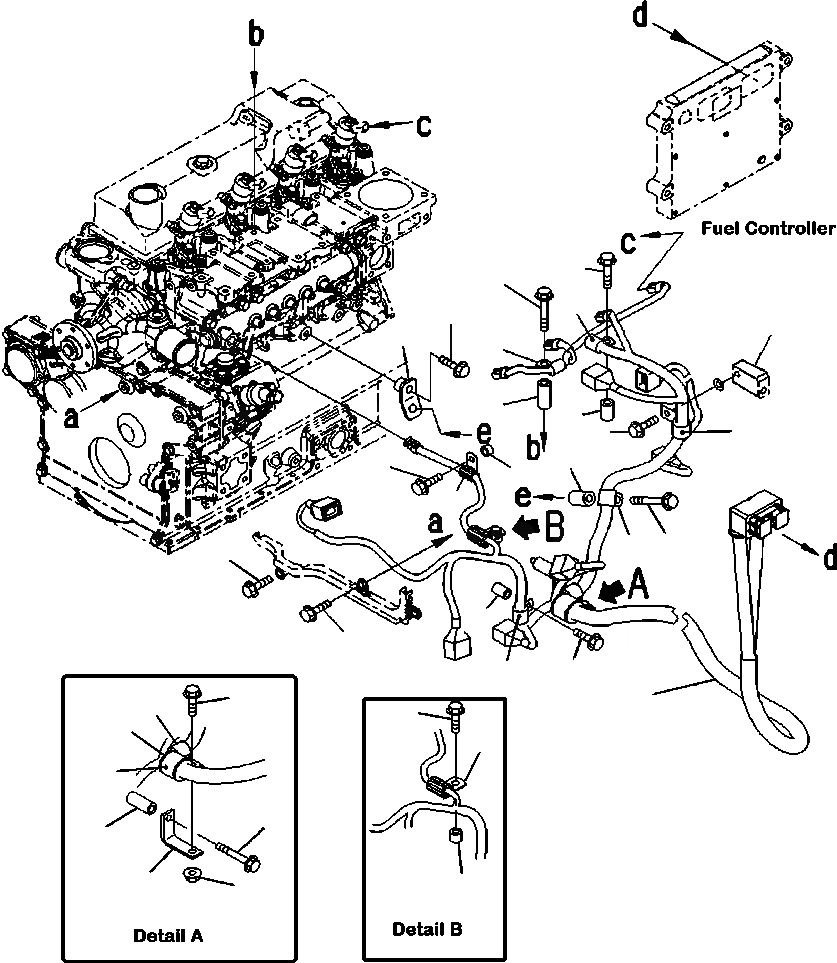
Запчасти Komatsu PC88MR-8 AWR-7 WIRE Э/ПРОВОДКА ДВИГАТЕЛЬ

Схема запчастей Komatsu PC88MR-8 - AWR-7 WIRE Э/ПРОВОДКА ДВИГАТЕЛЬ
30
27
28
22
33
21
25
26
29
31
32
23
8
7
6
24
20
2
10
2
11
9
18
1
12
5
17
3
16
14
13
15
4
19
FIT
1:1
100%

Артикул

Название

Примечание

Количество

1

6271-81-8240

WIRE HARNESS

2

01435-00816

BOLT

3

600-051-1100

CLIP

4

6141-64-2560

SPACER

5

01435-00825

BOLT

6

600-051-1100

CLIP

7

6167-11-6640

SPACER

8

01435-00820

BOLT

9

600-051-1140

CLIP

10

195-979-3510

COLLAR

11

01435-00835

BOLT

12

600-051-1180

CLIP

13

6143-11-4290

SPACER

14

01435-00860

BOLT

15

6271-81-8980

BRACKET

16

04434-53211

CLIP

17

07095-20523

CUSHION

18

01435-00820

BOLT

19

01584-00806

NUT

20

600-051-2180

CLIP

21

22P-01-11170

BRACKET

22

01435-01035

BOLT

23

6150-81-6920

SPACER

24

01435-01055

BOLT

25

600-051-2100

CLIP

26

6152-51-5520

SPACER

27

01435-01065

BOLT

28

600-051-1140

CLIP

29

6130-12-4581

SPACER

30

01435-00840

BOLT

31

600-051-2180

CLIP

32

01435-01020

BOLT

Выбрано товаров: 32