Качественные детали и логистика
Оригинальные и аналоговые запчасти с доставкой по России, Казахстану и Беларуси
©2022 PartSell ООО "Система" ИНН 2463123282 ОГРН 1212400004838
Центральный офис: г. Красноярск, Академика Киренского, д.87, пом.4
Телефон: 8 (800) 777-65-74 Email: zakaz@partsell.ru
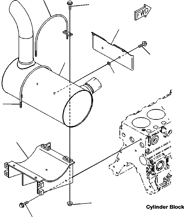
A- ВЫПУСКН. ГЛУШИТЕЛЬ
№
Артикул
Название
Примечание
Количество
1
6271-11-5240
MUFFLER
2
6204-11-5990
U-BOLT
3
01435-00820
BOLT
4
01584-00806
NUT
5
6271-11-5430
BRACKET
6
01435-01025
7
6271-11-9150
PLATE
8
154-61-16570
WASHER
9
01435-00814
Выбрано товаров: 0