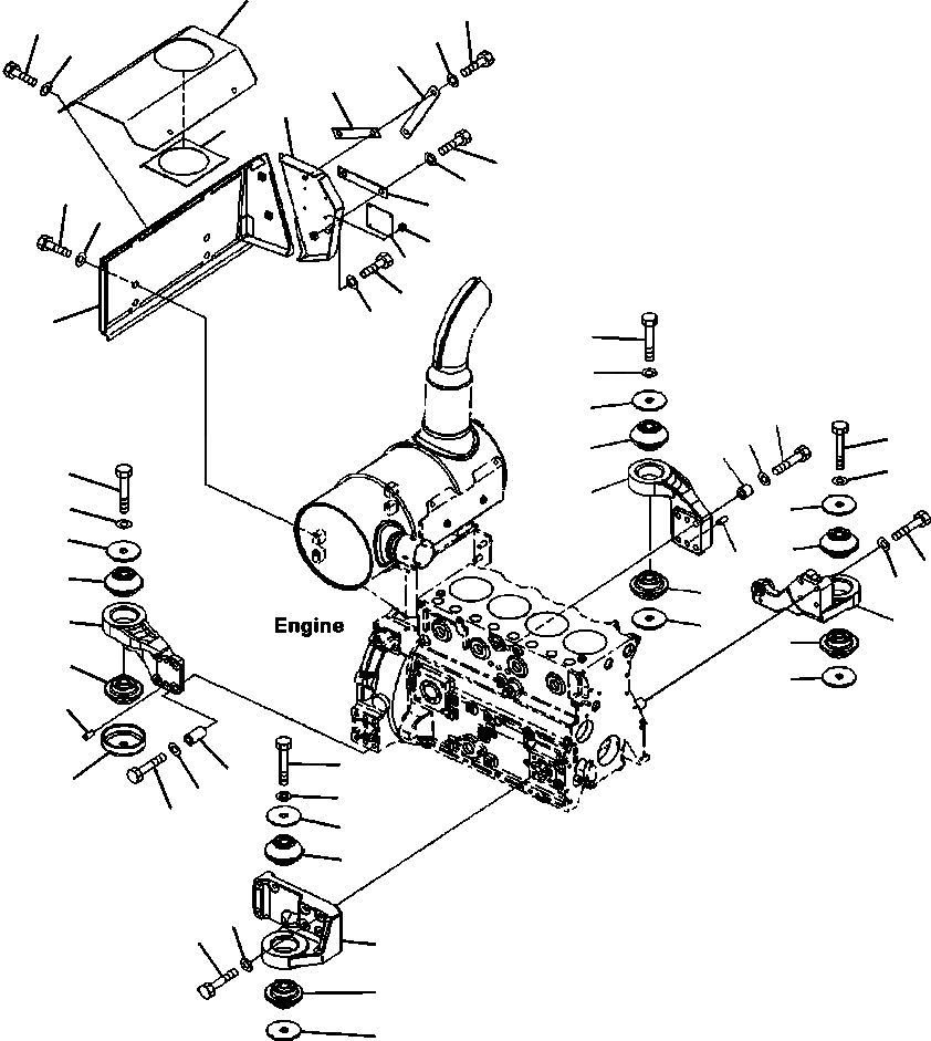
Запчасти Komatsu PC88MR-8 B- КРЕПЛЕНИЕ ДВИГАТЕЛЯS КОМПОНЕНТЫ ДВИГАТЕЛЯ

Схема запчастей Komatsu PC88MR-8 - B- КРЕПЛЕНИЕ ДВИГАТЕЛЯS КОМПОНЕНТЫ ДВИГАТЕЛЯ
31
27
33
28
34
26
25
23
32
27
29
28
25
30
23
24
27
22
28
21
20
9
18
10
21
8
19
20
21
7
20
18
18
19
11
3
19
2
19
12
1
18
19
18
18
16
21
13
17
20
15
14
18
19
5
6
4
19
18
FIT
1:1
100%

Артикул

Название

Примечание

Количество

1

22P-01-11260

BRACKET

2

01643-31032

WASHER

3

22B-01-21190

BOLT

4

22P-01-11270

BRACKET

5

01643-31032

WASHER

6

22B-01-21190

BOLT

7

21W-01-38190

BRACKET

8

6144-81-6580

SPACER

9

01010-81285

BOLT

10

01643-31232

WASHER

11

04020-01228

PIN, DOWEL

12

21W-01-41180

BRACKET

13

22P-01-11280

SPACER

14

01010-81285

BOLT

15

01643-31232

WASHER

16

04020-01228

PIN, DOWEL

17

201-01-71260

STOPPER

18

203-01-67540

WASHER

19

22B-01-21530

CUSHION

20

01643-31645

WASHER

21

01011-81630

BOLT

22

22P-01-11320

COVER

23

22P-01-11410

COVER

24

09817-A0753

DECAL, WARNING - HIGH TEMPERATURE

25

142-62-14450

PLATE

26

22P-01-11450

PLATE

27

01010-80820

BOLT

28

01643-30823

WASHER

29

01010-81225

BOLT

30

01643-31232

WASHER

31

22P-01-11360

COVER

32

22P-01-11350

SHEET

33

01010-80820

BOLT

34

01643-30823

WASHER

Выбрано товаров: 34