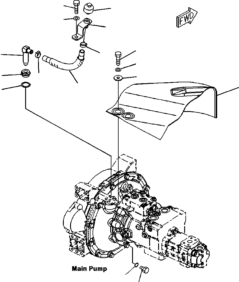
Запчасти Komatsu PC88MR-8 B- ОСНОВН. НАСОС САПУН КОМПОНЕНТЫ ДВИГАТЕЛЯ

Схема запчастей Komatsu PC88MR-8 - B- ОСНОВН. НАСОС САПУН КОМПОНЕНТЫ ДВИГАТЕЛЯ
10
8
11
9
13
6
7
14
15
3
6
12
5
4
2
1
FIT
1:1
100%

Артикул

Название

Примечание

Количество

1

07040-11209

PLUG

2

07002-11223

O-RING

3

21W-01-21150

NIPPLE

4

07005-03016

GASKET

5

22P-01-11131

HOSE

6

07285-00200

CLIP, HOSE

7

21W-01-42190

ELBOW

8

07030-00252

BREATHER

9

22P-01-11190

BRACKET

10

01010-81020

BOLT

11

01643-31032

WASHER

12

21W-01-41330

SHEET

13

01010-81030

BOLT

14

01643-31032

WASHER

15

203-54-56960

COLLAR

Выбрано товаров: 15